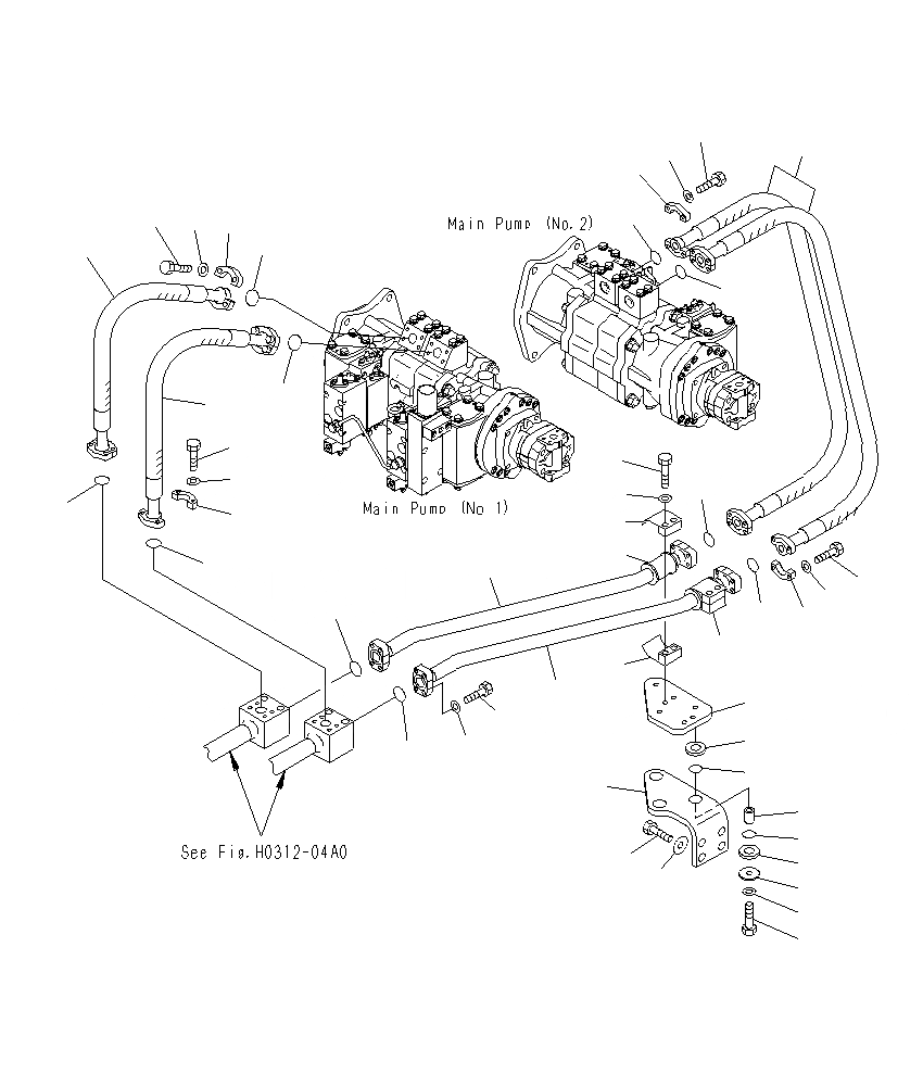
Запчасти Komatsu PC1250SP-8R ЛИНИЯ ПОДАЧИ (NO. И NO. НАСОС) H

Схема запчастей Komatsu PC1250SP-8R - ЛИНИЯ ПОДАЧИ (NO. И NO. НАСОС) H
9
6
10
8
4
7
5
3
2
1
7
2
1
4
27
5
7
28
2
3
26
25
11
2
9
12
10
7
8
26
26
11
16
13
17
14
12
20
15
19
20
23
17
24
18
22
21
FIT
1:1
100%

Артикул

Название

Примечание

Количество

1

07085-01008

HOSE

2

07000-B3032

O-RING

3

07371-31049

FLANGE

4

07372-21035

BOLT

5

01643-51032

WASHER

6

07085-01011

HOSE

7

07000-B3032

O-RING

8

07371-31049

FLANGE

9

07372-21035

BOLT

10

01643-51032

WASHER

11

21N-62-37150

TUBE

12

07000-B3035

O-RING

13

07372-21040

BOLT

14

01643-51032

WASHER

15

21N-62-31411

BRACKET

16

21N-62-32960

PLATE

17

203-62-42770

CUSHION

18

566-35-42430

PLATE

19

203-62-51880

SPACER

20

07000-13025

O-RING

21

01010-81255

BOLT

22

01643-31232

WASHER

23

01010-81240

BOLT

24

175-54-34170

WASHER

25

07095-01035

CUSHION

26

07094-11024

CLAMP

27

01010-81280

BOLT

28

01643-31232

WASHER

Выбрано товаров: 28