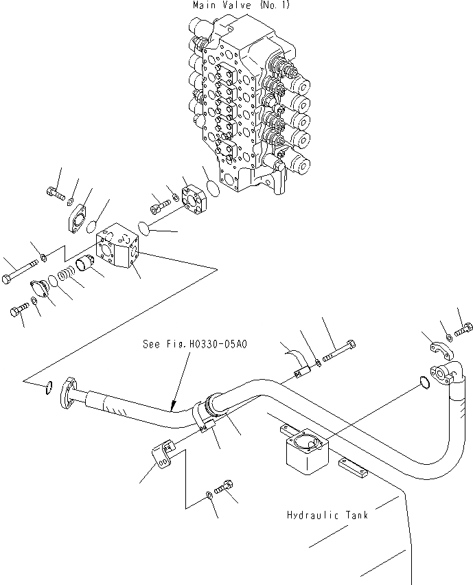
Запчасти Komatsu PC1250SP-8R ВОЗВРАТНАЯ ЛИНИЯ(NO. КЛАПАН) H

Схема запчастей Komatsu PC1250SP-8R - ВОЗВРАТНАЯ ЛИНИЯ(NO. КЛАПАН) H
2
7
1
8
15
4
3
10
18
16
17
11
14
13
20
9
25
21
12
28
19
6
23
5
24
23
22
26
27
FIT
1:1
100%

Артикул

Название

Примечание

Количество

1

21N-62-31580

BLOCK

2

07000-B2060

O-RING

3

01252-71235

BOLT

4

01643-51232

WASHER

|$5

21N-60-32802

VALVE ASS'Y

5

01010-81030

BOLT

6

01643-31032

WASHER

7

01010-81235

BOLT

8

01643-31232

WASHER

9

07000-13042

O-RING

10

07000-13050

O-RING

11

209-60-52120

POPPET

12

21N-60-32720

FLANGE

13

706-77-72250

SPRING

14

BLOCK

15

21N-60-32821

FLANGE

16

07000-B2055

O-RING

17

01011-81235

BOLT

18

01643-31232

WASHER

19

07371-32076

FLANGE

20

07372-21240

BOLT

21

01643-51232

WASHER

22

21N-62-33440

BRACKET

23

209-62-78930

CLAMP

24

07095-02062

CUSHION

25

01011-81210

BOLT

26

01010-81230

BOLT

27

01643-31232

WASHER

28

01643-31232

WASHER

Выбрано товаров: 29