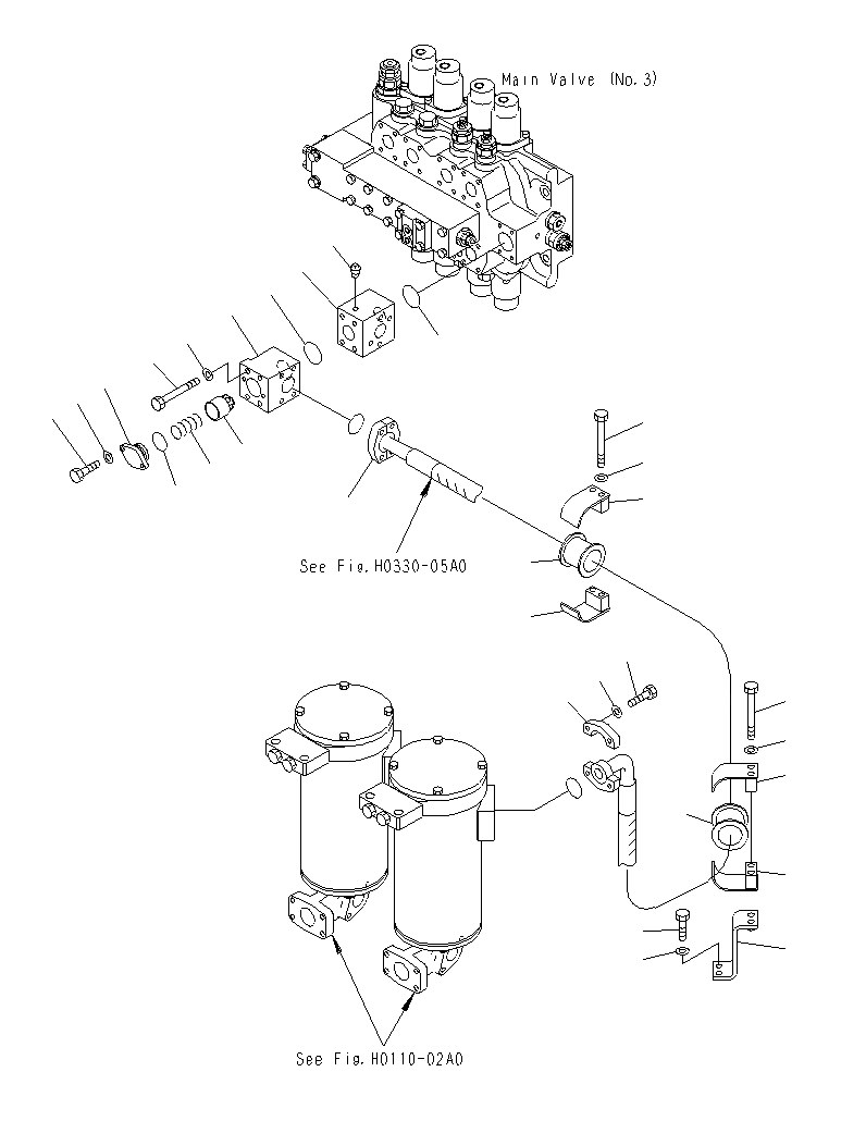
Запчасти Komatsu PC1250SP-8R ВОЗВРАТНАЯ ЛИНИЯ(NO. КЛАПАН) H

Схема запчастей Komatsu PC1250SP-8R - ВОЗВРАТНАЯ ЛИНИЯ(NO. КЛАПАН) H
11
1
10
3
13
12
2
6
9
8
20
21
4
5
17
7
22
18
17
23
24
22
19
21
17
18
17
15
14
16
FIT
1:1
100%

Артикул

Название

Примечание

Количество

1

21N-62-37330

BLOCK

2

07000-B2055

O-RING

|$3

21N-60-12401

CHECK VALVE ASS'Y

3

BLOCK

4

209-60-52120

POPPET

5

706-77-72250

SPRING

6

21N-60-12420

FLANGE

7

07000-13042

O-RING

8

01010-81030

BOLT

9

01643-31032

WASHER

10

07000-B2060

O-RING

11

07042-30108

PLUG

12

700-85-11120

BOLT

13

01643-31232

WASHER

14

21N-62-37380

BRACKET

15

01010-81230

BOLT

16

01643-31232

WASHER

17

209-62-78930

CLAMP

18

07095-02062

CUSHION

19

01011-81215

BOLT

20

01011-81210

BOLT

21

01643-31232

WASHER

22

07371-32076

FLANGE

23

07372-21240

BOLT

24

01643-51232

WASHER

Выбрано товаров: 25