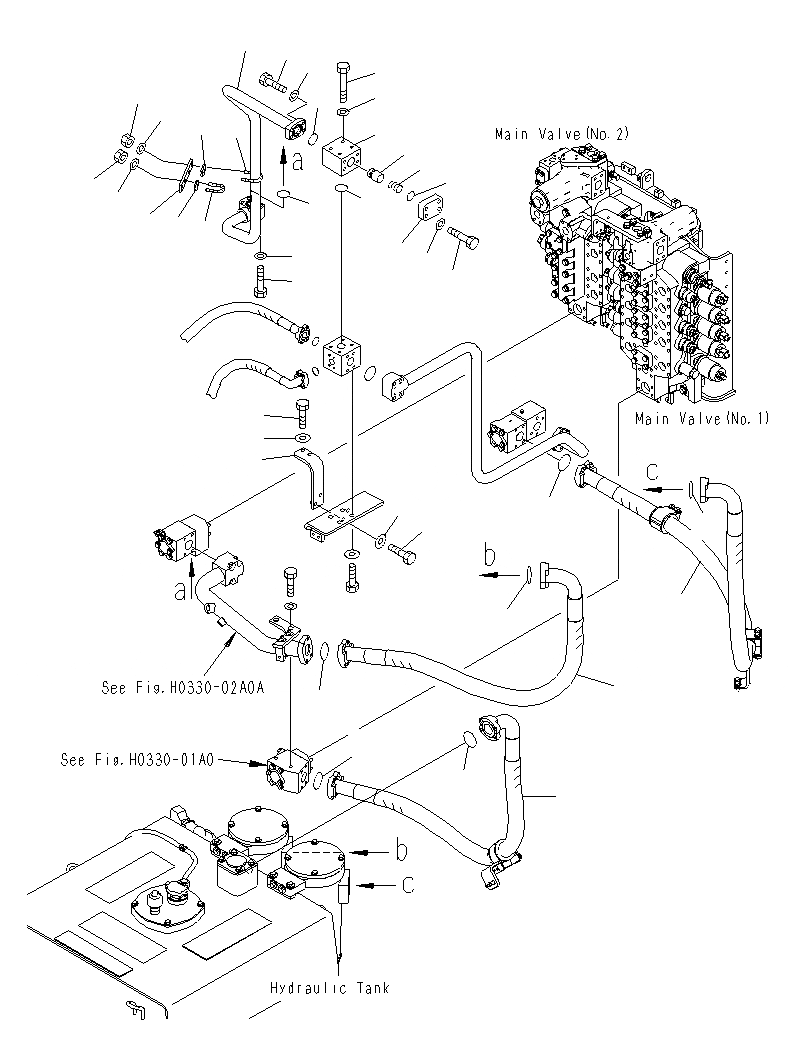
Запчасти Komatsu PC1250SP-8R ВОЗВРАТНАЯ ЛИНИЯ(ПОВОРОТН. ВСАСЫВ.)(/) H

Схема запчастей Komatsu PC1250SP-8R - ВОЗВРАТНАЯ ЛИНИЯ(ПОВОРОТН. ВСАСЫВ.)(/) H
1
5
6
16
24
17
7
23
19
20
10
8
14
13
24
15
23
4
18
21
22
9
3
12
2
11
26
27
25
27
33
26
33
32
31
30
31
29
29
28
FIT
1:1
100%

Артикул

Название

Примечание

Количество

1

21N-62-42350

TUBE

2

01010-81275

BOLT

3

01643-31232

WASHER

4

07000-B3045

O-RING

5

07372-21240

BOLT

6

01643-51232

WASHER

7

07000-B3048

O-RING

|$8

21N-60-41200

VALVE ASS'Y

8

209-60-52720

POPPET

9

21N-60-32420

FLANGE

10

BODY

11

01010-81455

BOLT

12

01643-31445

WASHER

13

07000-B3048

O-RING

14

07750-04595

SPRING

15

07000-B3048

O-RING

16

01011-81205

BOLT

17

01643-31232

WASHER

18

21N-62-42430

BRACKET

19

07283-54353

CLIP

20

07283-34354

CLIP

21

07283-53444

CLIP

22

07283-33450

CLIP

23

01643-31032

WASHER

24

01597-01009

NUT

25

21N-62-42390

BRACKET

26

01010-81250

BOLT

27

175-54-34170

WASHER

28

07298-02018

HOSE

29

07000-B2060

O-RING

30

07298-02015

HOSE

31

07000-B2060

O-RING

32

07298-02025

HOSE

33

07000-B2060

O-RING

Выбрано товаров: 34