Запчасти Komatsu PC1250SP-8R КЛАПАН ПОДАЮЩ. ТРУБЫ (РУКОЯТЬ)(NO. КЛАПАН) H

Схема запчастей Komatsu PC1250SP-8R - КЛАПАН ПОДАЮЩ. ТРУБЫ (РУКОЯТЬ)(NO. КЛАПАН) H
7
9
8
6
1
4
5
2
11
12
10
3
5
4
FIT
1:1
100%

Артикул

Название

Примечание

Количество

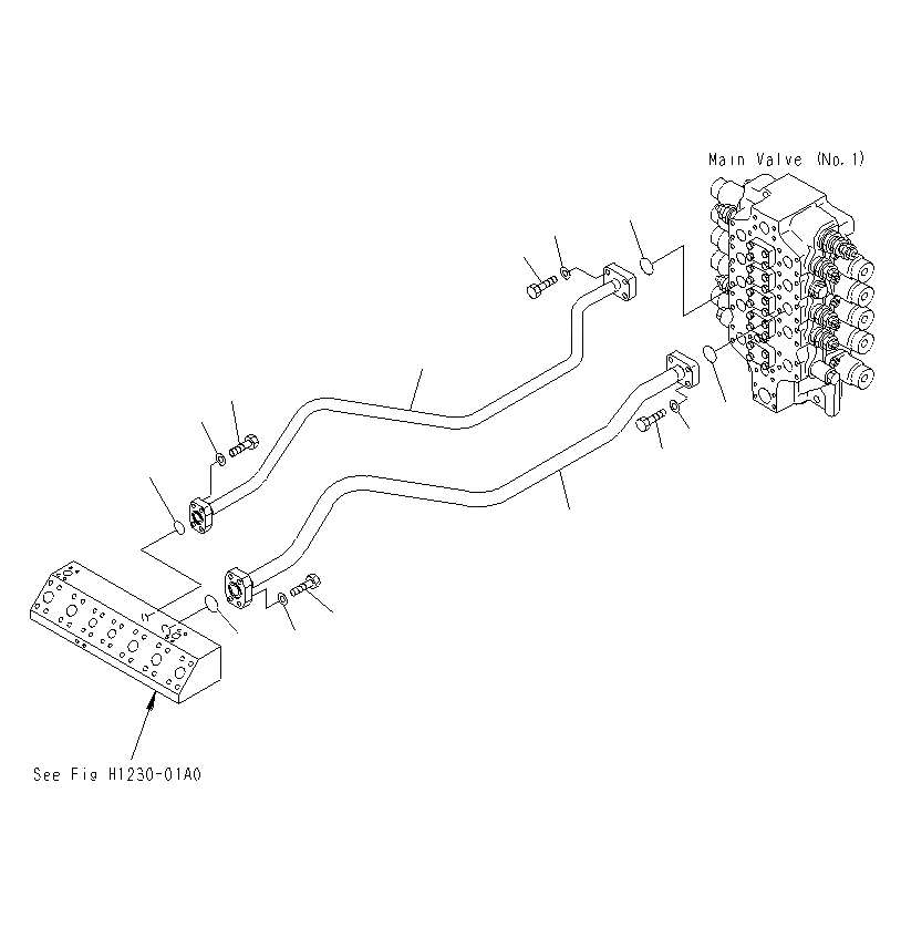
1

21N-62-37540

TUBE

2

07000-B3048

O-RING

3

07000-B3048

O-RING

4

01010-81455

BOLT

5

01643-31445

WASHER

6

21N-62-37550

TUBE

7

07000-B3048

O-RING

8

01010-81455

BOLT

9

01643-31445

WASHER

10

07000-B3038

O-RING

11

01010-81245

BOLT

12

01643-31232

WASHER

Выбрано товаров: 12