Качественные детали и логистика
Оригинальные и аналоговые запчасти с доставкой по России, Казахстану и Беларуси
©2022 PartSell ООО "Система" ИНН 2463123282 ОГРН 1212400004838
Центральный офис: г. Красноярск, Академика Киренского, д.87, пом.4
Телефон: 8 (800) 777-65-74 Email: zakaz@partsell.ru
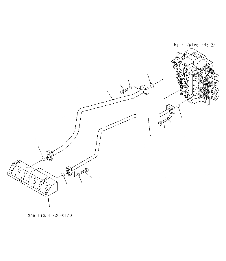
КЛАПАН ПОДАЮЩ. ТРУБЫ (РУКОЯТЬ)(NO. КЛАПАН)
№
Артикул
Название
Примечание
Количество
1
21N-62-37560
TUBE
2
07000-B3048
O-RING
3
07000-B3038
4
01010-81455
BOLT
5
01643-31445
WASHER
6
01010-81245
7
01643-31232
8
21N-62-37570
9
10
11
Выбрано товаров: 0