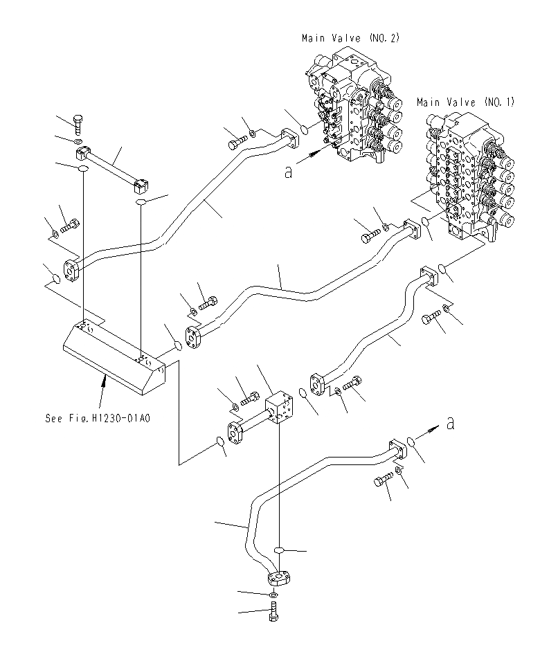
Запчасти Komatsu PC1250SP-8R КЛАПАН ПОДАЮЩ. ТРУБЫ (КОВШ)(NO. И NO. КЛАПАН) H

Схема запчастей Komatsu PC1250SP-8R - КЛАПАН ПОДАЮЩ. ТРУБЫ (КОВШ)(NO. И NO. КЛАПАН) H
19
21
16
20
17
14
15
15
20
5
21
4
18
2
19
1
4
5
7
3
9
8
6
10
12
13
8
9
7
11
23
27
25
22
24
27
26
FIT
1:1
100%

Артикул

Название

Примечание

Количество

1

21N-62-37620

TUBE

2

07000-B3048

O-RING

3

07000-B3048

O-RING

4

01010-81455

BOLT

5

01643-31445

WASHER

6

21N-62-37630

TUBE

7

07000-B3048

O-RING

8

01010-81455

BOLT

9

01643-31445

WASHER

10

21N-62-37640

TUBE

11

07000-B3048

O-RING

12

01010-81455

BOLT

13

01643-31445

WASHER

14

21N-62-37860

TUBE

15

07000-B3035

O-RING

16

01010-81060

BOLT

17

01643-51032

WASHER

18

21N-62-37650

TUBE

19

07000-B3048

O-RING

20

01010-81455

BOLT

21

01643-31445

WASHER

22

21N-62-37660

TUBE

23

07000-B3048

O-RING

24

07000-B3048

O-RING

25

01010-81445

BOLT

26

01010-81455

BOLT

27

01643-31445

WASHER

Выбрано товаров: 27