Качественные детали и логистика
Оригинальные и аналоговые запчасти с доставкой по России, Казахстану и Беларуси
©2022 PartSell ООО "Система" ИНН 2463123282 ОГРН 1212400004838
Центральный офис: г. Красноярск, Академика Киренского, д.87, пом.4
Телефон: 8 (800) 777-65-74 Email: zakaz@partsell.ru
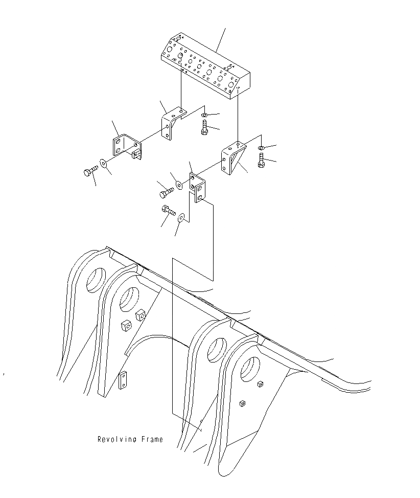
НИЖН. ЧАСТЬ СТРЕЛЫ
№
Артикул
Название
Примечание
Количество
1
21N-62-37680
BLOCK
2
21N-62-37690
BRACKET
3
01010-81640
BOLT
4
01643-31645
WASHER
5
21N-62-37710
6
7
8
21N-62-37720
9
21N-62-41440
10
01010-81645
11
21T-72-12620
Выбрано товаров: 0