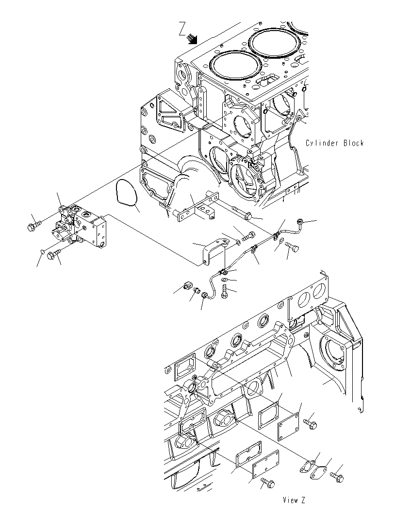
Запчасти Komatsu PC1250SP-8R ЭЛЕМЕНТЫ БЛОКА ЦИЛИНДРОВ (/)(HARD ВОДН. AREA)(СМАЗ. ФИТТИНГ ТРУБКА) A

Схема запчастей Komatsu PC1250SP-8R - ЭЛЕМЕНТЫ БЛОКА ЦИЛИНДРОВ (/)(HARD ВОДН. AREA)(СМАЗ. ФИТТИНГ ТРУБКА) A
11
19
4
16
6
18
11
17
14
5
15
12
20
13
18
7
8
15
14
9
10
22
21
23
2
1
3
25
24
26
FIT
1:1
100%

Артикул

Название

Примечание

Количество

1

6162-23-6530

PLATE

2

6127-51-6822

GASKET

3

01435-01020

BOLT

4

6245-81-6130

BLOCK

5

07000-72115

O-RING

6

01435-01235

BOLT

7

01435-01250

BOLT

8

07000-72014

O-RING

9

6127-81-4690

NIPPLE

10

07213-50710

CONNECTOR

11

6245-81-6710

TUBE

12

6245-81-6730

BRACKET

13

6150-71-8231

CLIP

14

01010-81025

BOLT

15

01643-31032

WASHER

16

6245-81-6740

BRACKET

17

01435-01070

BOLT

18

6150-71-8231

CLIP

19

01010-81025

BOLT

20

01643-31032

WASHER

21

6240-21-1960

PLATE

22

6210-21-1971

GASKET

23

01435-01020

BOLT

24

6162-63-6710

PLATE

25

6162-63-6731

GASKET

26

01435-00820

BOLT

Выбрано товаров: 26