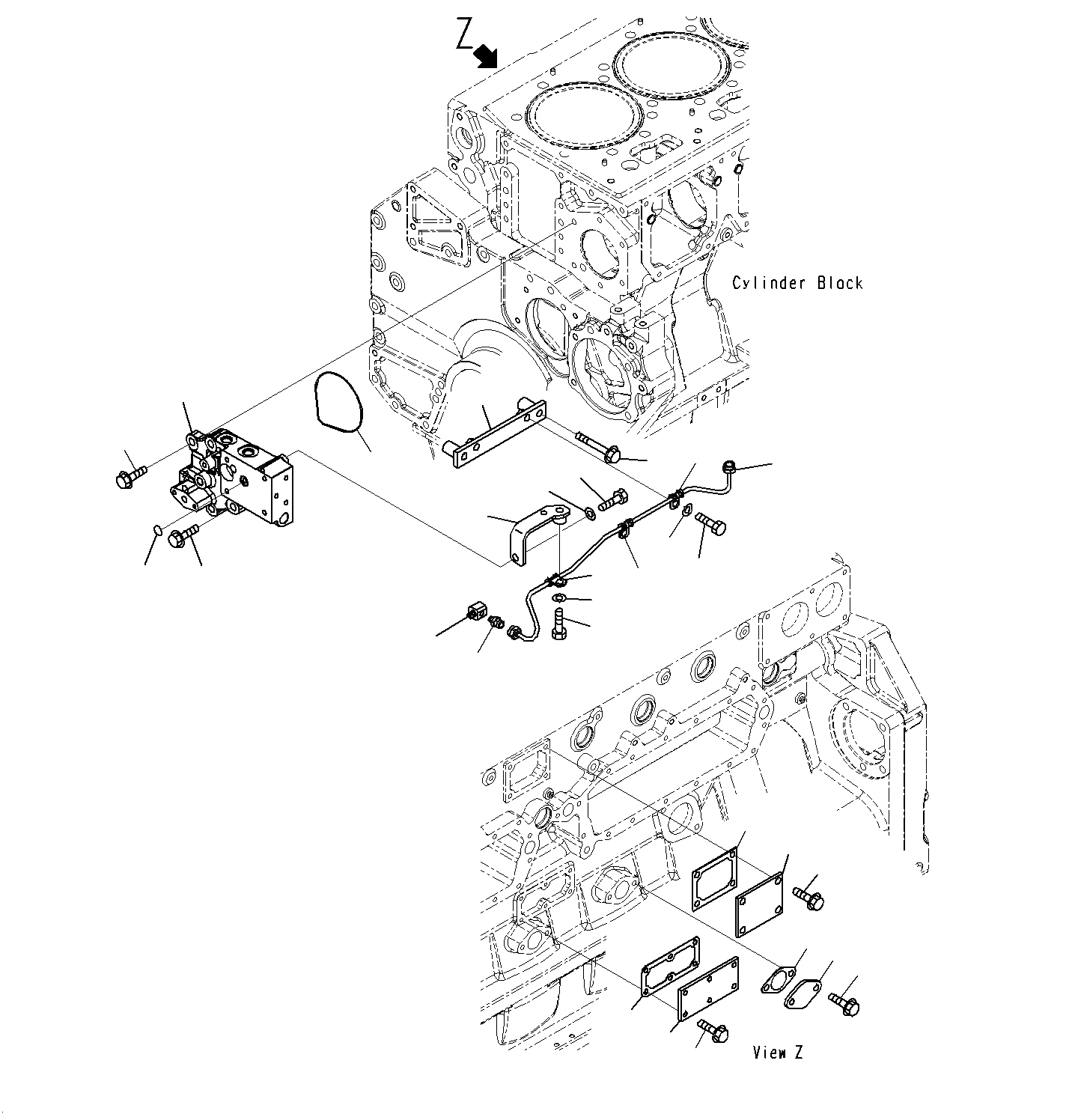
Запчасти Komatsu PC1250SP-8R ЭЛЕМЕНТЫ БЛОКА ЦИЛИНДРОВ (/)(СМАЗ. ФИТТИНГ ТРУБКА) A

Схема запчастей Komatsu PC1250SP-8R - ЭЛЕМЕНТЫ БЛОКА ЦИЛИНДРОВ (/)(СМАЗ. ФИТТИНГ ТРУБКА) A
6
4
8
7
5
21
15
17
16
22
18
11
19
20
18
12
14
13
9
10
24
23
25
2
27
26
28
1
3
FIT
1:1
100%

Артикул

Название

Примечание

Количество

1

6162-23-6530

PLATE

2

6127-51-6822

GASKET

3

01435-01020

BOLT

4

6245-81-6130

BLOCK

5

07000-72115

O-RING

6

01435-01235

BOLT

7

01435-01250

BOLT

8

07000-72014

O-RING

9

6127-81-4690

NIPPLE

10

07231-50710

CONNECTOR

11

6245-81-6710

TUBE

12

6150-71-8231

CLIP

13

01010-81025

BOLT

14

01643-31032

WASHER

15

6245-81-6730

BRACKET

16

01010-81025

BOLT

17

01643-31032

WASHER

18

6150-71-8231

CLIP

19

01010-81025

BOLT

20

01643-31032

WASHER

21

6245-81-6720

BRACKET

22

01435-01070

BOLT

23

6240-21-1960

PLATE

24

6210-21-1971

GASKET

25

01435-01020

BOLT

26

6162-63-6710

PLATE

27

6162-63-6731

GASKET

28

01435-00820

BOLT

Выбрано товаров: 28