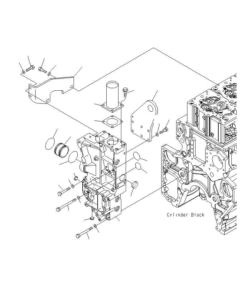
Запчасти Komatsu PC1250SP-8R ВОДН. КОЖУХ И ПЕРЕДН. ПОДВЕСН. КРОНШТЕЙН (9-7) A

Схема запчастей Komatsu PC1250SP-8R - ВОДН. КОЖУХ И ПЕРЕДН. ПОДВЕСН. КРОНШТЕЙН (9-7) A
19
19A
20
6A
21
18
10
17
15
11
16
12
14
13
4
14
2
5
6
3
9
8
2
1
9
7
FIT
1:1
100%

Артикул

Название

Примечание

Количество

1

6245-21-6230

BLOCK,WATER

|$2

6245-21-6110

BLOCK,WATER

2

07046-42516

PLUG

3

07046-44516

PLUG

4

07000-A3050

O-RING

5

07000-A3042

O-RING

6

01010-81280

BOLT

6A

01643-31232

WASHER

7

01011-81225

BOLT

8

01011-81260

BOLT

9

01643-31232

WASHER

10

6245-21-3410

PLATE,HANGER

11

01010-81235

BOLT

12

01643-31232

WASHER

13

6245-61-6210

TUBE,JOINT

14

07000-A2075

O-RING

15

6245-61-6250

TUBE,WATER OUTLET

16

6162-63-7480

GASKET

17

01435-01025

BOLT

18

6245-21-6190

BRACKET

19

01010-81235

BOLT

19A

01643-31232

WASHER

20

01010-E1235

BOLT

21

01643-31232

WASHER

Выбрано товаров: 24