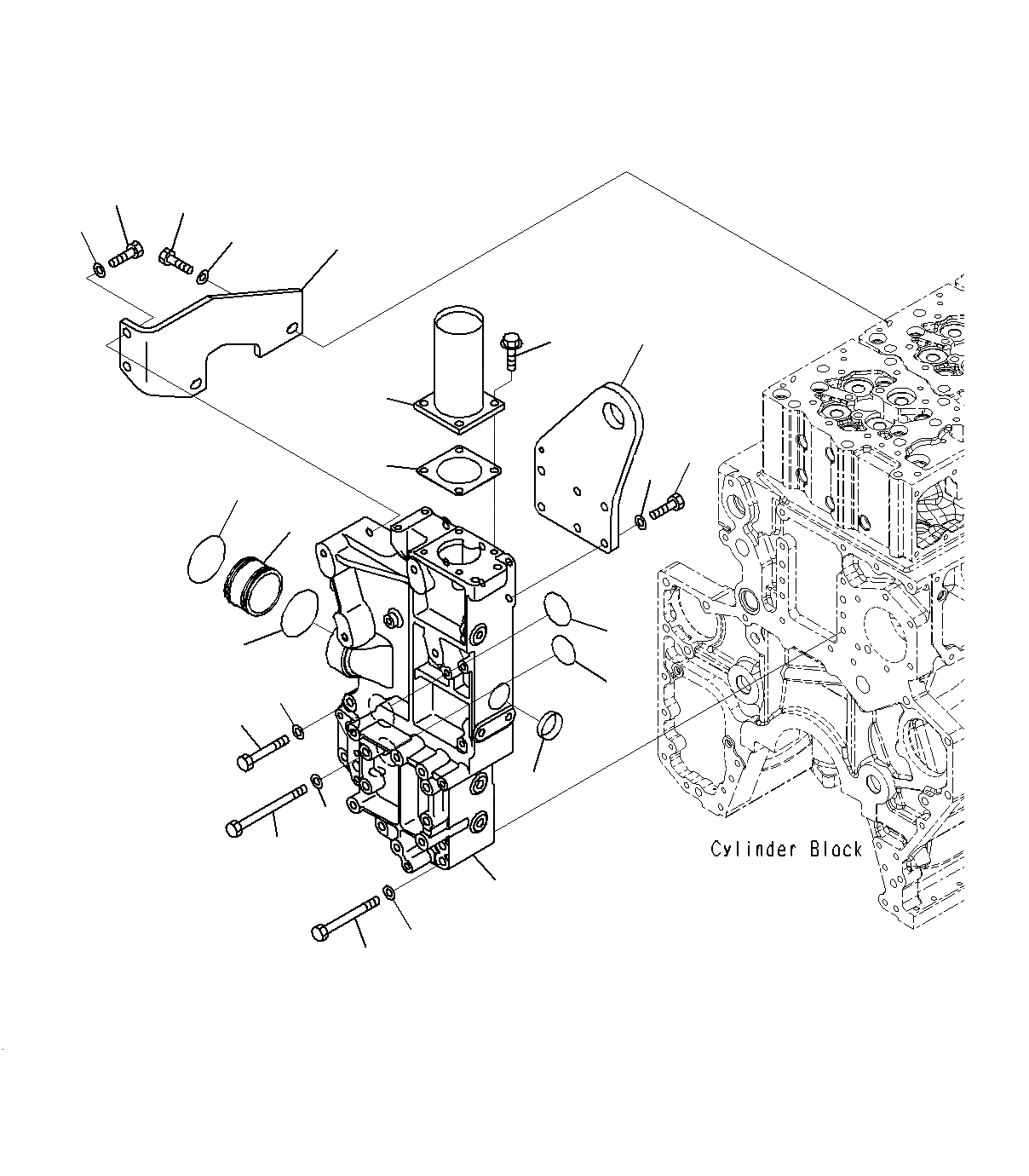
Запчасти Komatsu PC1250SP-8R ВОДН. КОЖУХ И ПЕРЕДН. ПОДВЕСН. КРОНШТЕЙН (7-UP) A

Схема запчастей Komatsu PC1250SP-8R - ВОДН. КОЖУХ И ПЕРЕДН. ПОДВЕСН. КРОНШТЕЙН (7-UP) A
20
19
21
22
18
15
17
10
12
11
16
14
13
14
5
6
3
4
2
8
9
7
9
1
FIT
1:1
100%

Артикул

Название

Примечание

Количество

1

6245-21-6230

BLOCK

2

07046-44516

PLUG

3

07000-A3050

O-RING

4

07000-A3042

O-RING

5

01010-81280

BOLT

6

01643-31232

WASHER

7

01011-81225

BOLT

8

01011-81260

BOLT

9

01643-31232

WASHER

10

6245-21-3410

PLATE, HANGER

11

01010-81235

BOLT

12

01643-31232

WASHER

13

6245-61-6210

TUBE, JOINT

14

07000-A2075

O-RING

15

6245-61-6250

TUBE

16

6162-63-7480

GASKET

17

01435-01025

BOLT

18

6245-21-6190

BRACKET

19

01010-81235

BOLT

20

01643-31232

WASHER

21

01010-E1235

BOLT

22

01643-31232

WASHER

Выбрано товаров: 22