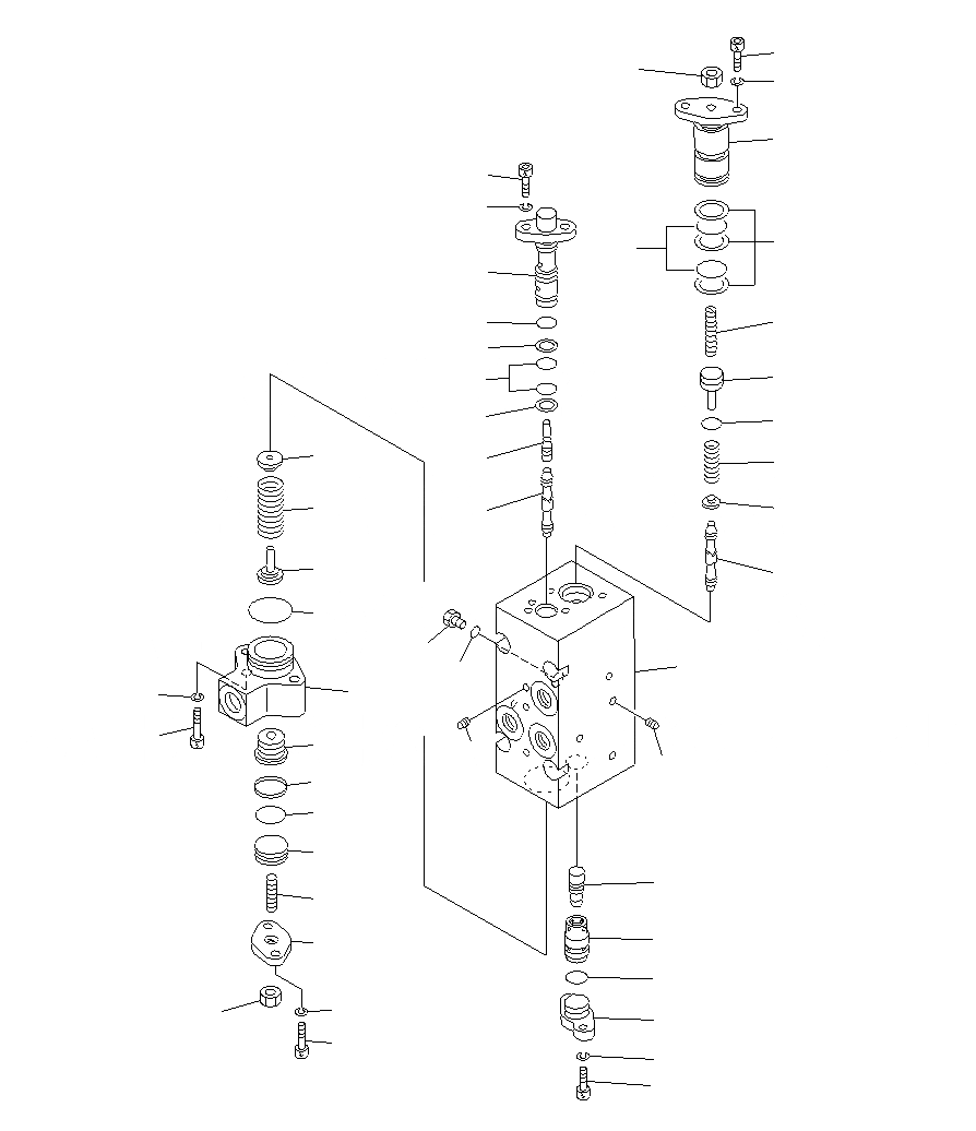
Запчасти Komatsu PC1250SP-8R ОСНОВН. НАСОС (/)(NO. НАСОС) Y

Схема запчастей Komatsu PC1250SP-8R - ОСНОВН. НАСОС (/)(NO. НАСОС) Y
34
30
29
6
34
29
37
36
15
4
31
33
3
32
33
5
17
14
16
18
13
8
19
8
22
38
1
39
25
29
27
20
2
2
40
23
21
10
26
9
24
12
35
7
11
28
35
28
FIT
1:1
100%

Артикул

Название

Примечание

Количество

|$1

708-2H-00440

PUMP ASS'Y

|$2

THIS ASSEMBLY CONSISTS OF ALL PARTS

|$3

SHOWN IN FIGS.Y1600-41A0 TO Y1600-56A0.

|$4

708-27-09121

SERVO VALVE ASS'Y, FRONT

|$5

708-27-09521

VALVE ASS'Y,CO+NC

|$6

708-23-00430

BODY ASS'Y

1

BODY

2

EXPANDER

3

708-25-17460

PLUG

4

708-25-17430

SCREW

5

07000-B2010

O-RING

6

708-25-17131

COVER

7

01580-10806

NUT

8

708-25-17141

SPOOL

9

708-25-17150

SLEEVE

10

708-25-17160

PISTON

11

708-25-17170

COVER

12

07000-B2014

O-RING

13

708-25-17180

SEAT

14

708-25-17690

SPRING

15

708-25-17451

SLEEVE

16

708-25-17220

PISTON

17

708-25-17370

SEAT

18

708-25-17250

SPRING

19

708-25-17470

SEAT

20

708-25-17480

PISTON

21

708-25-17380

PLUG

22

07000-B3028

O-RING

23

07000-B2021

O-RING

24

708-23-17240

COVER

25

708-23-17290

COVER

26

708-25-15340

SCREW

27

706-75-40310

BOLT

28

708-25-15320

BOLT

29

01602-20619

WASHER

30

01580-10806

NUT

31

07000-B2012

O-RING

32

07000-B2012

O-RING

33

07001-02012

RING,BACK-UP

34

708-25-15320

BOLT

35

01602-20619

WASHER

36

07000-B2021

O-RING

37

07001-02021

RING,BACK-UP

38

07040-11007

PLUG

39

07002-61023

O-RING

40

708-25-17390

PLATE

Выбрано товаров: 46