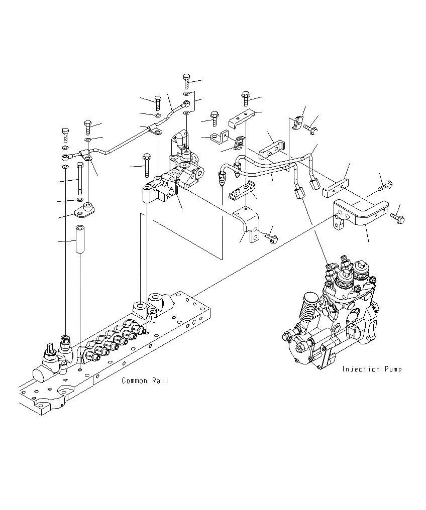
Запчасти Komatsu PC1250SP-8R ТОПЛИВН. ВПРЫСК (ТОПЛИВН. НАСОС)(ТОПЛИВН. ПОДАЮЩ. & ВОЗВРАТ. ТРУБЫ) A

Схема запчастей Komatsu PC1250SP-8R - ТОПЛИВН. ВПРЫСК (ТОПЛИВН. НАСОС)(ТОПЛИВН. ПОДАЮЩ. & ВОЗВРАТ. ТРУБЫ) A
16
15
14
26
17
9
10
13
27
19
8
5
25
20
7
1
9
4
12
29
22
18
1
6
23
13
28
3
21
24
2
11
FIT
1:1
100%

Артикул

Название

Примечание

Количество

1

6245-71-5181

TUBE

2

6245-71-5410

BRACKET

3

01435-01025

BOLT

4

6217-71-5211

CLAMP

|$5

6217-71-5210

CLAMP

5

6217-71-5171

CLAMP

|$7

6217-71-5170

CLAMP

6

01435-00635

BOLT

7

6245-71-5420

BRACKET

8

01435-01020

BOLT

9

6162-75-5820

CLAMP

10

01435-00625

BOLT

11

6245-71-5490

BRACKET

12

01435-01025

BOLT

13

6217-71-5211

CLAMP

|$16

6217-71-5210

CLAMP

14

01435-00630

BOLT

15

6245-71-5520

TUBE

16

07206-30710

BOLT,JOINT

17

07005-01012

GASKET

18

6933-71-8230

CLIP

19

01010-81020

BOLT

20

01643-31032

WASHER

21

6245-71-5570

BRACKET

22

01010-81095

BOLT

23

01643-31032

WASHER

24

6130-12-4571

SPACER

25

6933-71-8230

CLIP

26

01010-81020

BOLT

27

01643-31032

WASHER

28

6245-71-5430

BLOCK

29

01435-01060

BOLT

Выбрано товаров: 32