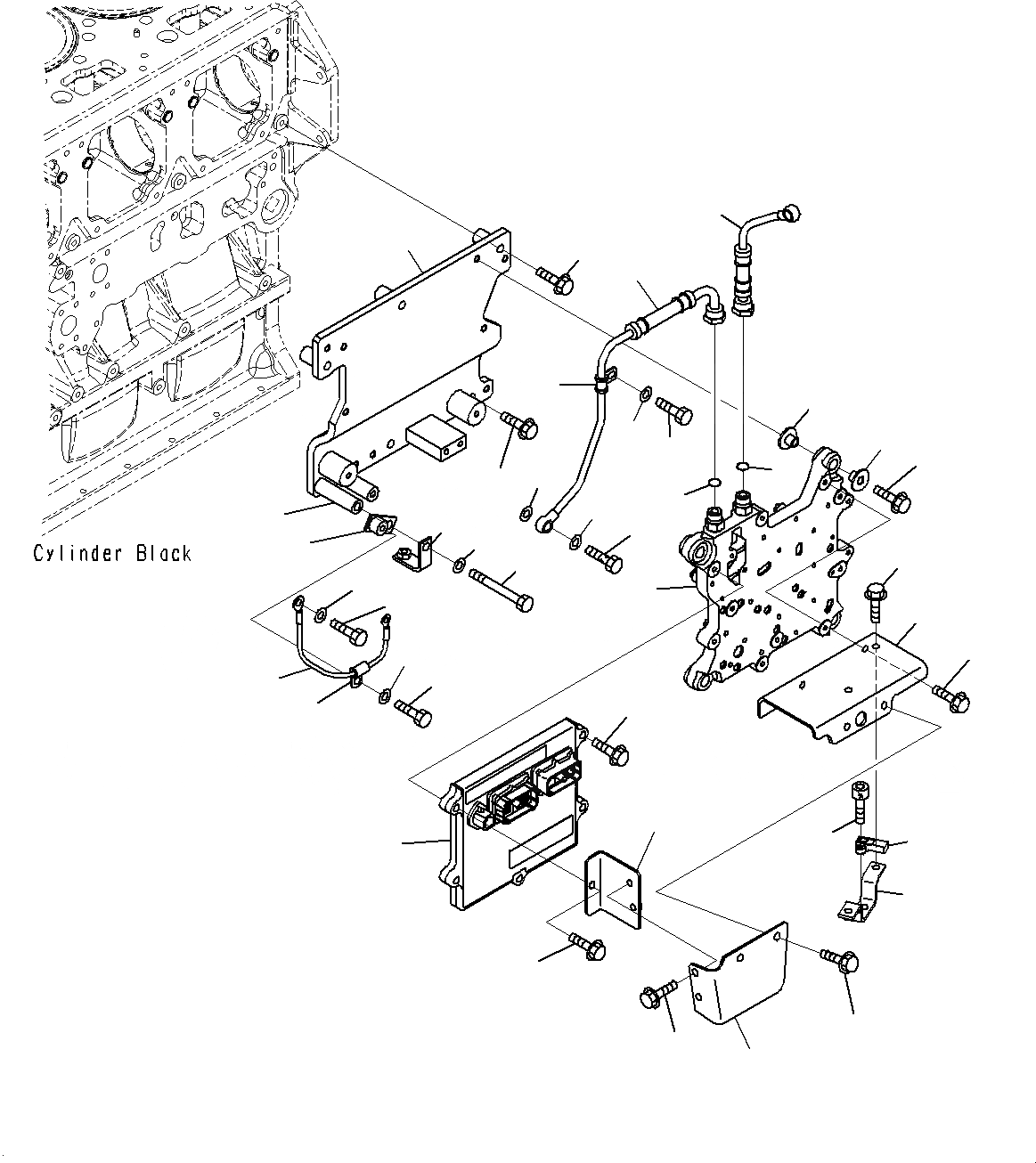
Запчасти Komatsu PC1250SP-8R УПРАВЛ-Е ДВИГАТЕЛЕМLER (8-UP) A

Схема запчастей Komatsu PC1250SP-8R - УПРАВЛ-Е ДВИГАТЕЛЕМLER (8-UP) A
12
13
10
10
16
11
15
14
21
17
19
18
34
31
1
7
8
5
5
4
6
6
27
26
9
25
23
37
24
22
3
28
29
2
20
30
35
36
33
33
32
FIT
1:1
100%

Артикул

Название

Примечание

Количество

1

600-463-7100

CONTROLLER ASS'Y

|$2

600-463-7200

CONTROLLER ASS'Y (FOR HOT AREA SPEC.)

2

01435-00840

BOLT

3

6261-81-7100

COOLER

|$5

6261-81-7130

O-RING

|$6

02781-00420

UNION

|$7

07002-11823

O-RING

4

01435-01045

BOLT

5

6251-81-7210

CUSHION

6

0289-61-1012

O-RING

7

6245-71-5291

HOSE

|$12

6245-71-5290

HOSE

8

6245-71-5311

HOSE

|$14

6245-71-5310

HOSE

9

07206-31014

BOLT, JOINT

10

07005-01412

GASKET

11

6933-71-8220

CLIP

12

01010-81020

BOLT

13

01643-31032

WASHER

14

6245-21-6120

BRACKET

15

01435-01060

BOLT

16

01435-01025

BOLT

17

6245-81-5820

WIRE

18

01010-81020

BOLT

19

01643-31032

WASHER

20

600-051-2080

CLIP

21

01010-81020

BOLT

22

01643-31032

WASHER

23

426-06-11570

BRACKET

24

01011-81015

BOLT

25

01643-31032

WASHER

26

6934-71-5860

27

6130-12-4571

SPACER

28

6245-81-9350

COVER

29

01435-00820

BOLT

30

6245-81-9360

BRACKET

31

01435-00845

BOLT

32

6245-81-9380

COVER

33

01435-00820

BOLT

34

6261-81-2600

SENSOR

35

01252-60520

BOLT

36

6245-81-9210

BRACKET

37

01435-00820

BOLT

Выбрано товаров: 0