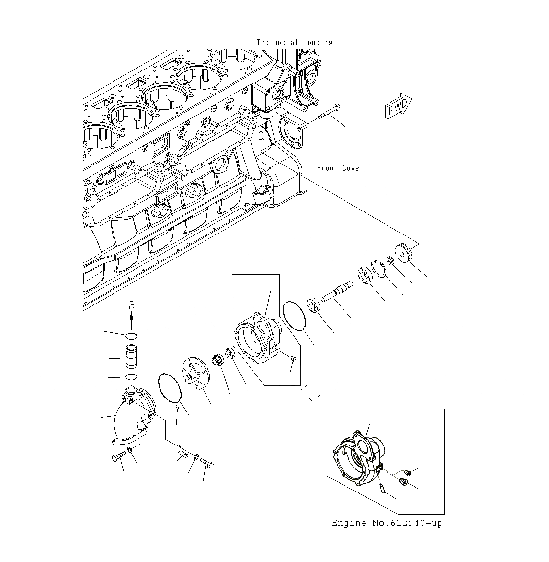
Запчасти Komatsu PC1250SP-8R ВОДЯНАЯ ПОМПА (9-99) A

Схема запчастей Komatsu PC1250SP-8R - ВОДЯНАЯ ПОМПА (9-99) A
16B
16A
18
10
1
5
6
3
8
20
4
17
19
20
12
7
2
9
11
1
13
14
12
21
16
15
23
22
FIT
1:1
100%

Артикул

Название

Примечание

Количество

|$1

6240-61-1103

WATER PUMP ASS'Y

|$2

6240-61-1102

WATER PUMP ASS'Y

1

6240-61-1111

BODY

|$4

6240-61-1110

BODY

2

6162-63-1515

SEAL, WATER

3

06340-06305

BEARING, BALL

4

06030-06205

BEARING, BALL

5

6240-61-1470

SPACER

6

6240-61-1440

RING, SNAP

7

07012-D0022

SEAL, OIL

8

6240-61-1312

SHAFT

9

6240-61-1210

IMPELLER

10

6240-61-1410

GEAR

11

6240-61-1150

COVER

12

07043-70211

PLUG

13

07000-G2140

O-RING

14

07000-G2012

O-RING

15

01010-81030

BOLT

16

01643-31032

WASHER

16A

6240-61-1250

PIPE

16B

07043-70312

PLUG

17

07000-72095

O-RING

18

01011-81215

BOLT

19

6240-61-1560

TUBE

20

07000-A3039

O-RING

21

6150-21-5720

BRACKET

22

01010-80812

BOLT

23

01640-20816

WASHER

Выбрано товаров: 28