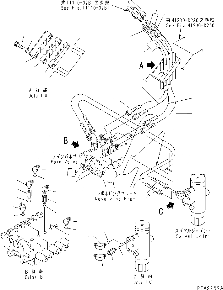
Запчасти Komatsu PC128US-1 РУКОЯТЬ¤ КОВШ И ОТВАЛ ЛИНИЯ (НАВЕСН. ОБОРУД.) ГИДРАВЛИКА

Схема запчастей Komatsu PC128US-1 - РУКОЯТЬ¤ КОВШ И ОТВАЛ ЛИНИЯ (НАВЕСН. ОБОРУД.) ГИДРАВЛИКА
1
2
3
3
4
4
4
5
5
6
7
8
8
9
9
10
10
11
12
13
14
15
15
16
16
17
18
19
20
21
22
FIT
1:1
100%

Артикул

Название

Примечание

Количество

1

07236-10522

ELBOW

2

203-62-61212

ELBOW

3

07002-12434

O-RING

4

21Y-62-11370

HOSE

5

21Y-62-11190

JOINT

6

07236-10522

ELBOW

7

124-49-32341

ELBOW

8

07002-12434

O-RING

9

21Y-62-11370

HOSE

10

21Y-62-11380

HOSE

11

124-49-32341

ELBOW

12

07002-12434

O-RING

13

07096-40413

HOSE

13

07096-00413

HOSE

14

21Y-62-11190

JOINT

15

203-62-32950

ELBOW

16

07002-12434

O-RING

17

21Y-973-1271

RUBBER

18

21Y-973-1281

RUBBER

19

21Y-973-1291

CLAMP

20

01010-81290

BOLT

21

01643-31232

WASHER

22

08034-00823

BAND

Выбрано товаров: 23