Запчасти Komatsu PC128US-1 ЭЛЕКТР. (БЕЗОПАСН. ОБОРУД-Е) ЭЛЕКТРИКА

Схема запчастей Komatsu PC128US-1 - ЭЛЕКТР. (БЕЗОПАСН. ОБОРУД-Е) ЭЛЕКТРИКА
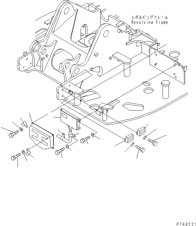
1
2
3
4
5
6
7
7
8
8
9
9
10
11
12
13
14
14
15
15
FIT
1:1
100%

Артикул

Название

Примечание

Количество

1

7824-68-6001

CONTROLLER,I.A.C.

|1

7824-68-6000

CONTROLLER,I.A.C.

2

01010-80825

BOLT

3

01643-30823

WASHER

4

20U-06-21142

COVER

5

08036-10810

CLIP

6

08036-11210

CLIP

7

01010-80616

BOLT

8

01643-30623

WASHER

9

08036-02514

CLIP

10

01010-81020

BOLT

11

01643-31032

WASHER

12

7824-66-6410

RESISTOR

|12

7824-66-6410

RESISTOR

13

7824-66-6420

RESISTOR

14

01016-50830

BOLT

|14

01016-50830

BOLT

15

01643-30823

WASHER

|15

01643-30823

WASHER

Выбрано товаров: 19