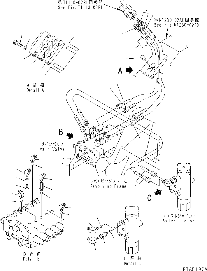
Запчасти Komatsu PC128US-1 РУКОЯТЬ¤ КОВШ И ОТВАЛ ЛИНИЯ ГИДРАВЛИКА

Схема запчастей Komatsu PC128US-1 - РУКОЯТЬ¤ КОВШ И ОТВАЛ ЛИНИЯ ГИДРАВЛИКА
1
2
3
3
4
4
4
5
5
6
7
8
8
9
9
10
10
11
12
13
14
15
16
16
17
17
18
19
20
21
22
23
FIT
1:1
100%

Артикул

Название

Примечание

Количество

1

07236-10522

ELBOW

2

203-62-61212

ELBOW

3

07002-12434

O-RING

4

21Y-62-11370

HOSE

5

21Y-62-11190

JOINT

6

07236-10522

ELBOW

7

124-49-32341

ELBOW

8

07002-12434

O-RING

9

21Y-62-11370

HOSE

10

21Y-62-11380

HOSE

11

07049-02734

PLUG

12

124-49-32341

ELBOW

13

07002-12434

O-RING

14

07096-40413

HOSE

|14

07096-00413

HOSE

15

21Y-62-11190

JOINT

16

203-62-32950

ELBOW

17

07002-12434

O-RING

18

21Y-62-11261

RUBBER

19

21Y-62-11271

RUBBER

20

21Y-62-11411

CLAMP

21

01010-81290

BOLT

22

01643-31232

WASHER

23

08034-00823

BAND

Выбрано товаров: 24