Запчасти Komatsu PC128US-2-AC ХОД MTOR (МОТОР В СБОРЕ) (GMVL ТИП) ОСНОВН. КОМПОНЕНТЫ И РЕМКОМПЛЕКТЫ

Схема запчастей Komatsu PC128US-2-AC - ХОД MTOR (МОТОР В СБОРЕ) (GMVL ТИП) ОСНОВН. КОМПОНЕНТЫ И РЕМКОМПЛЕКТЫ
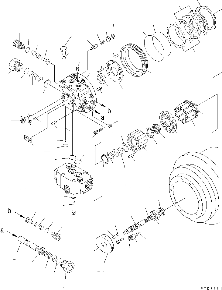
1
2
3
4
4
5
6
7
8
8
9
9
10
10
11
11
12
12
13
13
14
14
15
15
16
17
18
19
20
21
22
23
24
25
26
27
28
29
30
31
32
33
33
34
35
36
37
38
39
40
41
42
43
44
44
45
46
47
48
49
50
51
52
53
54
55
56
57
58
59
60
61
FIT
1:1
100%

Артикул

Название

Примечание

Количество

|1

22B-60-11321

MOTOR ASS'Y

|$$2

THESE ASSEMBLIES CONSIST OF ALL PARTS SHOWN IN FIGS.Y1651-01A1 TO Y1651-03A1.

|1

TZ650D000000KA

MOTOR

|1

TZ650D210000-A

FLANGE ASS'Y

|1

TZ650D210100-A

FLANGE KIT

1

FLANGE

2

SPOOL

3

TZGM1-8-S

PLUG

4

TZGDL1-16-S

PLUG

5

TZ263B2079-01

FILTER

6

TZ121F2070-00

ORIFICE

7

TZ850A0006-00

PLATE¤ NAME

8

TZ860A2051-00

PLUG

9

TZ869A2052-00

RETAINER

10

TZ860A2053-02

PLUG

11

TZ860A2054-01

VALVE

12

TZ860A2056-00

SPRING

13

TZ860A2055-01

SPRING

14

TZJB2401-P26-9

O-RING (KIT)

15

07000-12016

O-RING (KIT)

16

07000-12011

O-RING (KIT)

17

TZ200B2073-00

VALVE

18

TZ300B2039-00

STOPPER

19

TZ300B2042-00

RING

20

TZ300B2043-01

SPRING

21

04260-00952

BALL

22

TZ512B2021-00

PLUG

23

07000-12010

O-RING (KIT)

24

04260-00793

BALL

25

TZ269B2002-00

SHAFT

26

TZ263B200301-K

PLATE

27

TZ263B2004-04

BLOCK

|28

TZ263B2105-00

PISTON KIT

|28

PISTON ASS'Y

28

PISTON

29

SHOE

30

TZ277B2007-00

PLATE

31

TZ263B2008-00

BOWL

32

TZ263B2009-01

PLATE

33

TZ880A2010-00

WASHER

34

TZ263B2011-03

WASHER

35

TZ266B2012-00

PISTON

36

TZ800A2013-00

SPRING

37

TZ263B2093-01

SPRING

38

TZ800A2015-00

PLATE

39

TZ800A2016-00

PLATE

40

TZ263B2074-00

PLATE

41

TZ100A2021-00

PLUG

42

TZ15Z-25-42-10

SEAL (KIT)

43

TZ266B2035-00

O-RING (KIT)

44

07000-12018

O-RING (KIT)

45

TZ266B2039-00

O-RING (KIT)

46

TZJB1354-4-10

PIN

47

TZJB1354-10-25

PIN

48

01252-31030

BOLT

49

TZTH-R-42

RING

50

TZ263B2048-00

BEARING

51

TZ263B2049-00

BEARING

52

TZ263B2098-00

PIN

|53

TZ263B2070-00

PISTON

53

PISTON

54

SHOE

55

TZ263B2076-02

PIVOT

56

TZ263B2014-00

COLLAR

57

01252-30865

BOLT

58

TZ263B2077-01

PIN

59

07002-12034

O-RING (KIT)

60

TZSW-M8

WASHER

61

TZ263B2090-00

SPRING

|$$70

SERVICE KIT

K

TZ276B9000-00

SERVICE KIT

Выбрано товаров: 71