Запчасти Komatsu PC128US-2 АККУМУЛЯТОР И КРЕПЛЕНИЕ(№-) ЭЛЕКТРИКА

Схема запчастей Komatsu PC128US-2 - АККУМУЛЯТОР И КРЕПЛЕНИЕ(№-) ЭЛЕКТРИКА
1
1
2
2
2
3
3
3
4
5
6
6
7
7
8
9
9
10
11
12
FIT
1:1
100%

Артикул

Название

Примечание

Количество

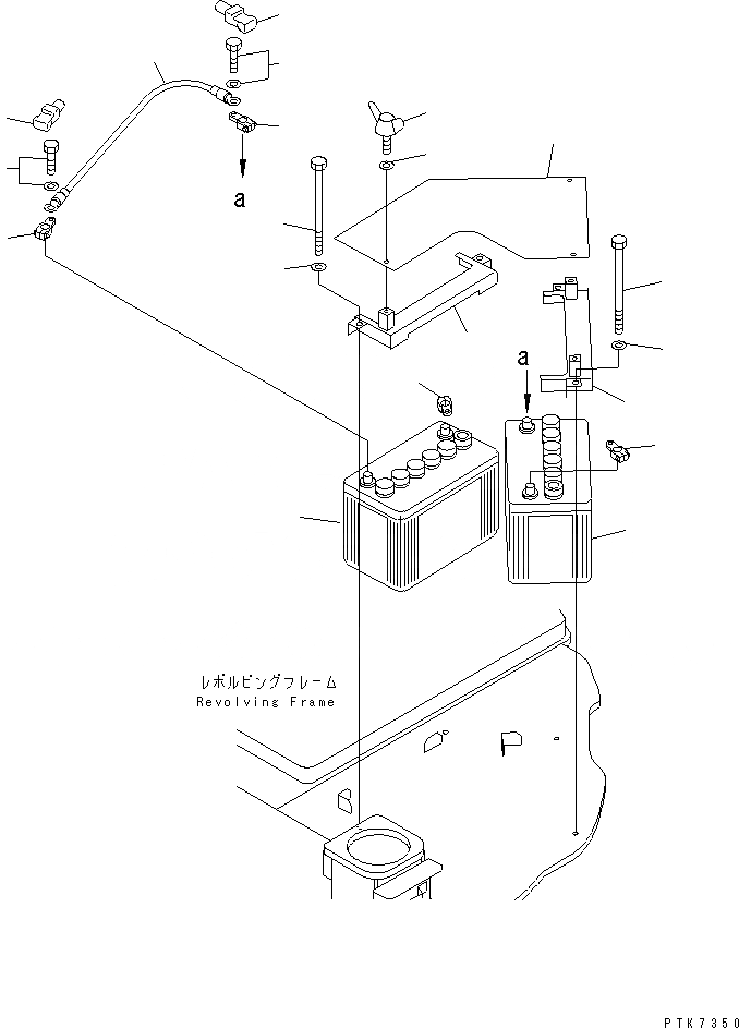
1

203-06-67260

BATTERY, WET(95D31R)

2

08000-00000

TERMINAL, (+)

3

08000-00001

TERMINAL, (-)

4

22B-06-11151

CLAMP

5

22B-06-11161

CLAMP

6

21W-06-21290

BOLT

7

01643-31032

WASHER

8

08028-CH040

CABLE

8

08028-68040

WIRE

9

08038-42009

CAP

10

22B-06-11171

COVER

11

01434-00820

BOLT, WING

12

01643-30823

WASHER

Выбрано товаров: 0