Запчасти Komatsu PC128US-2 ОСНОВН. КОНСТРУКЦИЯ (ШЛАНГИ ОБОГРЕВАТЕЛЯ И КРЕПЛЕНИЕ)(№77-) КАБИНА ОПЕРАТОРА И СИСТЕМА УПРАВЛЕНИЯ

Схема запчастей Komatsu PC128US-2 - ОСНОВН. КОНСТРУКЦИЯ (ШЛАНГИ ОБОГРЕВАТЕЛЯ И КРЕПЛЕНИЕ)(№77-) КАБИНА ОПЕРАТОРА И СИСТЕМА УПРАВЛЕНИЯ
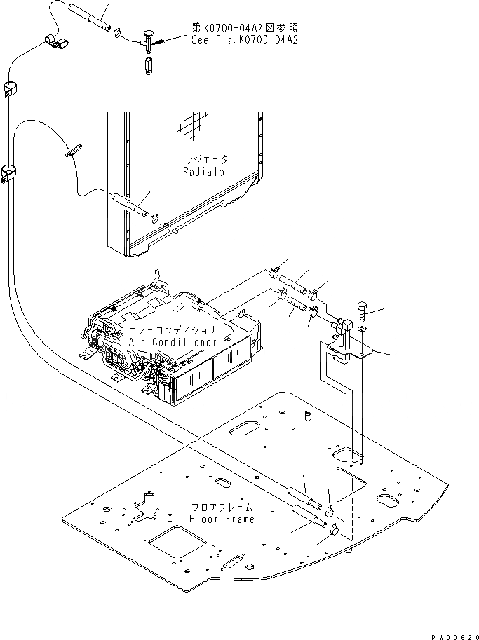
1
2
3
4
5
6
6
6
6
7
7
8
8
9
9
FIT
1:1
100%

Артикул

Название

Примечание

Количество

1

22B-979-1450

TUBE

2

01010-D1025

BOLT

3

01643-71032

WASHER

4

09483-00501

HOSE

5

22U-979-1920

HOSE

6

09479-02400

CLAMP

7

22B-979-1210

HOSE

8

11Y-09-11160

CLIP

9

22B-979-1220

HOSE

Выбрано товаров: 9