Запчасти Komatsu PC128US-2 ГИДРОЛИНИЯ СТРЕЛЫ (С FALL DOWN PREВЕНТИЛЯТОРION КЛАПАН)(№77-) ГИДРАВЛИКА

Схема запчастей Komatsu PC128US-2 - ГИДРОЛИНИЯ СТРЕЛЫ (С FALL DOWN PREВЕНТИЛЯТОРION КЛАПАН)(№77-) ГИДРАВЛИКА
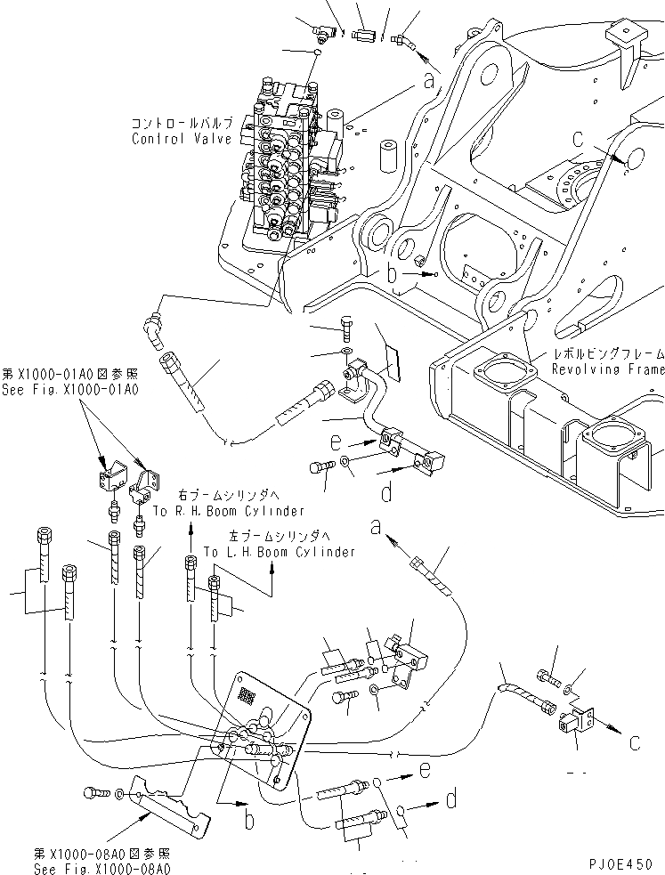
1
2
3
4
5
6
7
8
9
10
10
11
12
12
13
14
15
15
16
17
18
19
20
21
22
22
23
24
25
FIT
1:1
100%

Артикул

Название

Примечание

Количество

1

22B-62-11451

TUBE

2

01010-81230

BOLT

3

01643-31232

WASHER

4

01010-81235

BOLT

5

01643-31232

WASHER

6

22B-62-11290

HOSE

7

21Y-62-11210

TUBE

8

01010-81230

BOLT

9

01643-31232

WASHER

10

203-62-61290

HOSE, 660MM

11

07002-12434

O-RING

12

22B-62-11340

HOSE

13

07002-12034

O-RING

14

22B-62-11350

PLATE

15

22B-62-13770

HOSE

16

22B-62-11550

TEE

17

07002-11423

O-RING

18

20Y-62-22160

ADAPTER

19

07002-11423

O-RING

20

07236-10210

ELBOW

21

07002-11423

O-RING

22

22B-62-13750

HOSE

23

22B-62-11990

BLOCK

24

01010-81230

BOLT

25

01643-31232

WASHER

Выбрано товаров: 25