Запчасти Komatsu PC128US-2 СОЛЕНОИДНЫЙ КЛАПАН ЛИНИЯ(№-) ГИДРАВЛИКА

Схема запчастей Komatsu PC128US-2 - СОЛЕНОИДНЫЙ КЛАПАН ЛИНИЯ(№-) ГИДРАВЛИКА
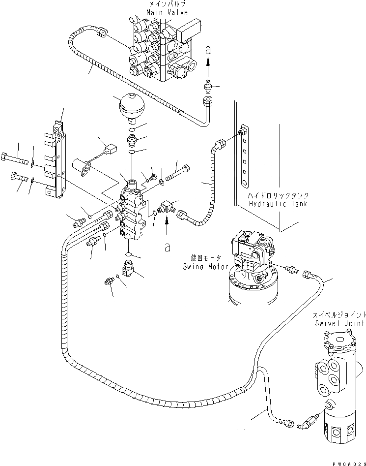
1
2
3
4
5
6
7
8
9
10
10
11
12
13
13
14
15
16
17
18
18
19
20
21
22
23
24
25
26
27
FIT
1:1
100%

Артикул

Название

Примечание

Количество

|1

22B-60-11510

VALVE ASS'Y

|1

20Y-60-22822

VALVE ASS'Y

1

BLOCK

|1

BLOCK

2

206-60-51132

SOLENOID VALVE

|2

206-60-51131

SOLENOID VALVE

3

07040-11409

PLUG

4

07002-11423

O-RING

5

22B-62-11523

BRACKET

|5

22B-62-11522

BRACKET

|5

22B-62-11521

BRACKET

6

01010-81090

BOLT

7

01643-31032

WASHER

8

01010-81295

BOLT

9

01010-81225

BOLT

10

01643-31232

WASHER

11

205-62-55270

NIPPLE

12

07230-20210

UNION

13

07002-11423

O-RING

14

07184-00220

HOSE

15

07184-00222

HOSE

16

22U-60-21330

ACCUMULATOR

|16

20Y-60-11410

ACCUMULATOR

17

203-973-5610

UNION

18

07002-12034

O-RING

|18

07002-12034

O-RING

19

22B-62-11220

TEE

20

07002-12034

O-RING

21

20Y-62-23470

NIPPLE

22

07002-11423

O-RING

23

203-62-56710

ELBOW

24

07002-12034

O-RING

25

22B-62-13460

HOSE

26

22W-62-17710

NIPPLE

27

22B-62-13450

HOSE

Выбрано товаров: 35