Запчасти Komatsu PC128UU-1 ОСНОВН. КОНСТРУКЦИЯ (ЭЛЕКТРОПРОВОДКА) (ДЛЯ АВТОМАТИЧ. ГОРИЗОНТАЛЬН.LY DIGGING)(№-) КАБИНА ОПЕРАТОРА И СИСТЕМА УПРАВЛЕНИЯ

Схема запчастей Komatsu PC128UU-1 - ОСНОВН. КОНСТРУКЦИЯ (ЭЛЕКТРОПРОВОДКА) (ДЛЯ АВТОМАТИЧ. ГОРИЗОНТАЛЬН.LY DIGGING)(№-) КАБИНА ОПЕРАТОРА И СИСТЕМА УПРАВЛЕНИЯ
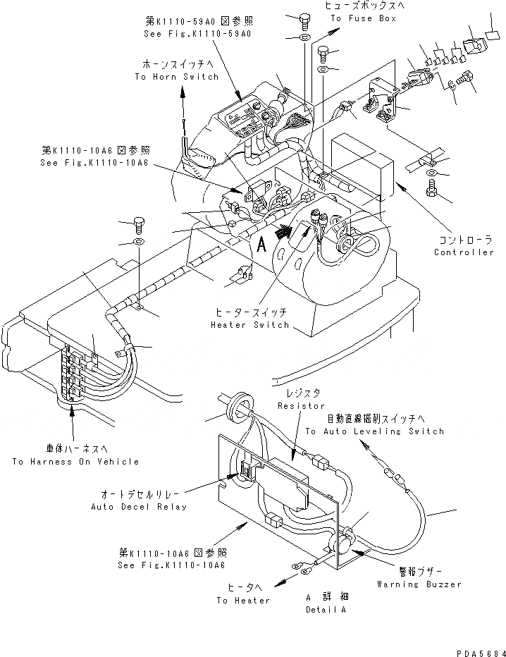
1
2
3
4
5
5
6
7
7
8
9
9
10
10
11
12
13
14
15
15
15
16
16
17
17
18
19
19
20
21
22
23
24
25
FIT
1:1
100%

Артикул

Название

Примечание

Количество

1

21Y-06-14130

WIRING HARNESS

2

08020-00000

DIODE

3

201-06-61240

FUSE¤ 30A

4

203-06-41570

SWITCH,SWING LOCK¤AUTO DECEL CANCEL

5

20T-06-71560

FUSE BOX

6

21Y-06-11190

PLATE,FUSE BOX

7

22W-06-13160

FUSE¤ 20A

8

21W-06-21151

BRACKET

9

01010-50816

BOLT

10

01643-30823

WASHER

11

20T-54-71550

BOLT

12

01643-70823

WASHER

13

281-01-13180

CLIP

14

08036-03014

CLIP

15

281-01-13180

CLIP

16

01010-51016

BOLT

17

01643-31032

WASHER

18

08037-05016

GROMMET

19

08037-03614

GROMMET

20

08034-20823

BAND

21

08086-20000

SWITCH,STARTER

22

20U-06-21331

WIRE

23

21Y-06-11350

WIRING HARNESS

24

21Y-06-11120

SWITCH,CANCEL

25

21Y-06-11410

WIRING HARNESS

Выбрано товаров: 25