Качественные детали и логистика
Оригинальные и аналоговые запчасти с доставкой по России, Казахстану и Беларуси
©2022 PartSell ООО "Система" ИНН 2463123282 ОГРН 1212400004838
Центральный офис: г. Красноярск, Академика Киренского, д.87, пом.4
Телефон: 8 (800) 777-65-74 Email: zakaz@partsell.ru
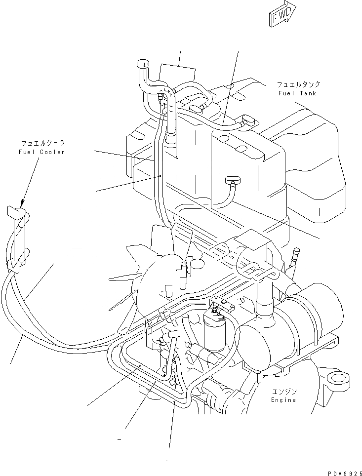
ЧАСТИ ДЛЯ ПЕРИОДИЧ. ЗАМЕНЫ (/) (ТОПЛИВН. ШЛАНГИ)(№7-)
№
Артикул
Название
Примечание
Количество
1
07288-01020
HOSE
|1
07288-01022
2
07288-01015
3
07288-01023
|3
07288-01027
4
07270-21035
TUBE
5
07270-21065
6
6204-71-9360
Выбрано товаров: 0