Запчасти Komatsu PC128UU-2 СТРЕЛА (СТРЕЛА) (YELНИЗ.) РАБОЧЕЕ ОБОРУДОВАНИЕ

Схема запчастей Komatsu PC128UU-2 - СТРЕЛА (СТРЕЛА) (YELНИЗ.) РАБОЧЕЕ ОБОРУДОВАНИЕ
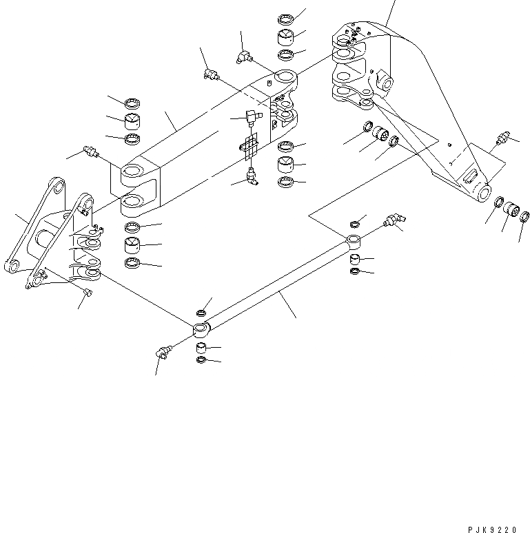
1
2
2
3
3
4
5
5
6
7
7
7
7
8
9
10
11
12
13
13
13
13
13
13
13
13
14
15
16
17
17
18
18
18
18
19
20
FIT
1:1
100%

Артикул

Название

Примечание

Количество

|$2

21Y-70-00041

BOOM ASS'Y,1ST

|$3

21Y-70-00040

BOOM ASS'Y,1ST

1

BOOM,1ST

1

BOOM,1ST

2

21K-70-99890

BUSHING

3

07145-00080

SEAL,DUST

4

07020-00000

FITTING,GREASE

5

07145-00080

SEAL,DUST

|$13

21Y-70-00052

BOOM ASS'Y,2ND

|$14

21Y-70-00051

BOOM ASS'Y,2ND

6

BOOM,2ND

6

BOOM,2ND

7

21Y-70-14191

BUSHING

8

07020-00675

FITTING,GREASE

9

07020-00000

FITTING,GREASE

10

22W-44-13660

ELBOW

11

07020-00900

FITTING,GREASE

12

20Y-25-11270

ELBOW

13

07145-00110

SEAL

14

21Y-70-12213SA

BRACKET

15

07049-01012

PLUG

|$31

21Y-70-00131

LINK ASS'Y

|$32

21Y-70-00130

LINK ASS'Y

16

21Y-70-21411NK

LINK

16

21Y-70-21411

LINK

17

07144-10606

BUSHING

18

07145-00060

SEAL,DUST

19

07020-00675

FITTING,GREASE

20

07020-00900

FITTING,GREASE

Выбрано товаров: 29