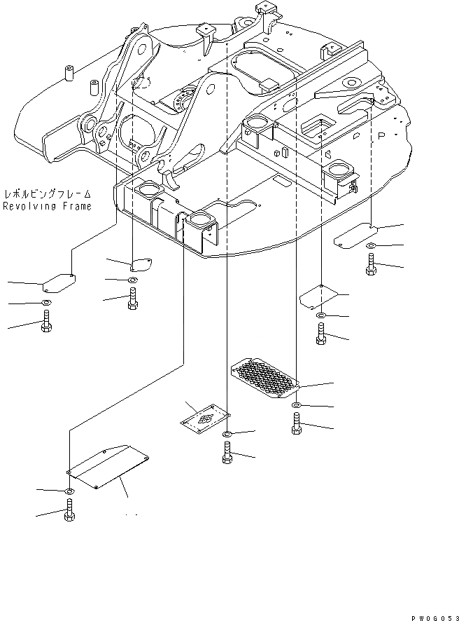
Запчасти Komatsu PC128UU-2 НИЖН. КРЫШКА (УСИЛ. ТИП) (BLUE)(№-) ЧАСТИ КОРПУСА

Схема запчастей Komatsu PC128UU-2 - НИЖН. КРЫШКА (УСИЛ. ТИП) (BLUE)(№-) ЧАСТИ КОРПУСА
1
2
3
4
5
6
7
8
9
10
11
12
13
14
15
16
17
18
19
20
21
FIT
1:1
100%

Артикул

Название

Примечание

Количество

1

22B-54-19940NU

COVER (BLUE)

2

01010-81230

BOLT

3

01643-31232

WASHER

4

22B-54-12490NU

PLATE (BLUE)

5

01010-81230

BOLT

6

01643-31232

WASHER

7

22B-54-12510NU

PLATE (BLUE)

8

01010-81230

BOLT

9

01643-31232

WASHER

10

22B-54-12520NU

COVER (BLUE)

11

01010-81230

BOLT

12

01643-31232

WASHER

13

22B-54-19240NU

COVER

14

01010-81225

BOLT

15

01643-31232

WASHER

16

22B-54-19950NU

COVER (BLUE)

17

01010-81230

BOLT

18

01643-31232

WASHER

19

22B-54-19960NU

COVER (BLUE)

20

01010-81230

BOLT

21

01643-31232

WASHER

Выбрано товаров: 21