Запчасти Komatsu PC12R-8 ЭЛЕКТР. ЭЛЕКТРОПРОВОДКА (ПРЕДОХРАНИТЕЛЬ КОРПУС И РЕЛЕ ЛИНИЯ) ЭЛЕКТРИКА

Схема запчастей Komatsu PC12R-8 - ЭЛЕКТР. ЭЛЕКТРОПРОВОДКА (ПРЕДОХРАНИТЕЛЬ КОРПУС И РЕЛЕ ЛИНИЯ) ЭЛЕКТРИКА
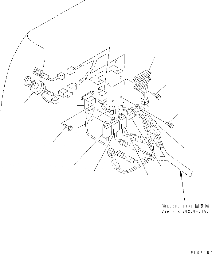
1
2
3
4
5
6
7
8
9
9
10
11
12
FIT
1:1
100%

Артикул

Название

Примечание

Количество

1

20M-06-73122

WIRING HARNESS

|1

20S-06-31130

STARTING SWITCH

2

20M-06-72120

SWITCH

3

YM119640-77711

LIMITER

4

01435-00620

BOLT

5

20M-06-73151

WIRE ASS'Y

6

20M-06-71210

TIMER

7

YM128300-77920

TIMER

8

YM119632-77920

TIMER

9

01435-00610

BOLT

10

YM119247-77100

RELAY

11

YM119650-77910

RELAY

12

YM121522-77721

INDICATOR

Выбрано товаров: 13