Запчасти Komatsu PC12R-8 КОРПУС ПОВОРОТА СТРЕЛЫ ОСНОВНАЯ РАМА И ЕЕ ЧАСТИ

Схема запчастей Komatsu PC12R-8 - КОРПУС ПОВОРОТА СТРЕЛЫ ОСНОВНАЯ РАМА И ЕЕ ЧАСТИ
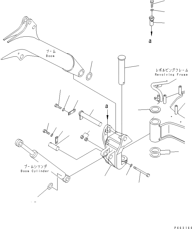
1
2
3
4
5
6
7
8
9
10
11
12
13
14
15
16
17
18
19
20
FIT
1:1
100%

Артикул

Название

Примечание

Количество

1

20M-70-81113

BRACKET

2

20M-70-81121

PIN

3

01011-51030

BOLT

4

01580-11008

NUT

5

01643-31032

WASHER

6

20M-70-81130

PLATE

7

21U-70-11720

SPACER¤ 1.0MM

8

20M-70-81141

PIN

9

20M-70-61120

PLATE

10

01010-81020

BOLT

11

01643-31032

WASHER

12

20N-70-41270

SPACER¤ 1.0MM

13

20M-70-81151

PIN

14

04082-00110

LOCK

15

01010-81020

BOLT

16

01643-31032

WASHER

17

20N-70-41270

SPACER¤ 1.0MM

18

20M-71-81120

PIN

19

01010-81020

BOLT

20

01643-31032

WASHER

Выбрано товаров: 20