Качественные детали и логистика
Оригинальные и аналоговые запчасти с доставкой по России, Казахстану и Беларуси
©2022 PartSell ООО "Система" ИНН 2463123282 ОГРН 1212400004838
Центральный офис: г. Красноярск, Академика Киренского, д.87, пом.4
Телефон: 8 (800) 777-65-74 Email: zakaz@partsell.ru
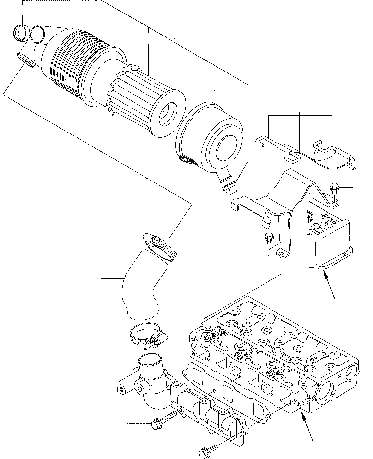
ВСАСЫВАЮЩ. ПАТРУБОК - ВОЗДУХООЧИСТИТЕЛЬ
№
Артикул
Название
Примечание
Количество
\0
871070019
MOTOR, ASSY.
1
YM119275-12100
MANIFOLD, INTAKE
2
YM119270-12110
GASKET
3
YM26106-060162
BOLT PLATED
4
YM26106-060282
BOLT
5
YM119233-12540
AIR CLEANER
6
YM119808-12540
VALVE
7
YM119655-12560
SCREEN
8
YM105027-12570
COVER, AIR CLEANER
9
YM105027-12580
RING
10
YM119233-12670
BODY, AIR CLEANER
11
YM119233-12610
PIPE
12
YM119233-12580
AIR CLEANER SUPPORT, ASSY.
13
YM119865-12600
STAY
17
YM23000-054000
CLAMP
18
YM26106-060122
SCREW
19
YM26106-080142
Выбрано товаров: 0