Запчасти Komatsu PC12UU-1 ЭЛЕКТРИКА (/) КОМПОНЕНТЫ ДВИГАТЕЛЯ И ЭЛЕКТРИКА

Схема запчастей Komatsu PC12UU-1 - ЭЛЕКТРИКА (/) КОМПОНЕНТЫ ДВИГАТЕЛЯ И ЭЛЕКТРИКА
FIT
1:1
100%

Артикул

Название

Примечание

Количество

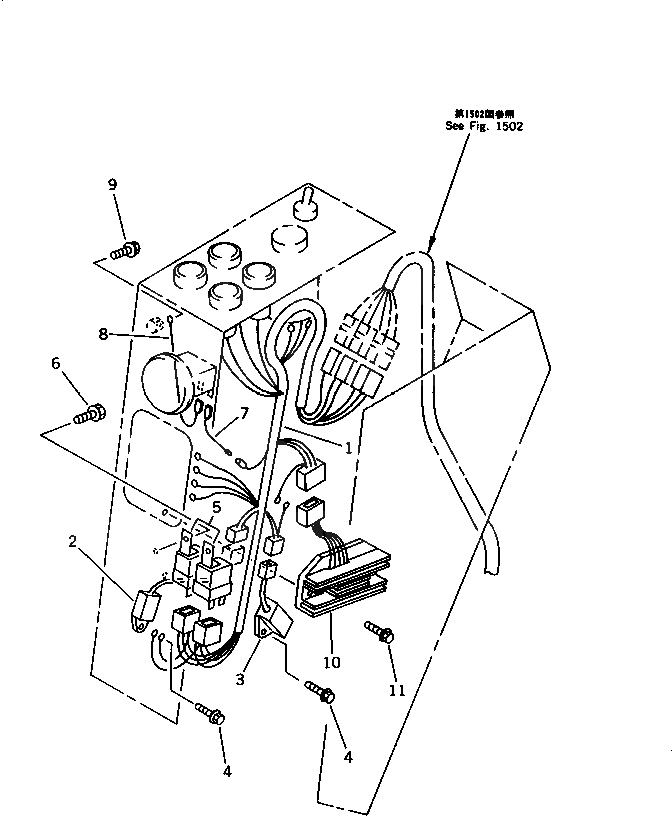
1

20C-06-11210

WIRE ASS'Y

2

YM128300-77920

TIMER,GLOW PLUG

3

YM121522-77721

INDICATOR,CHARGE

4

01435-00616

BOLT

5

YM121522-77101

RELAY,SAFETY

6

01435-00610

BOLT

7

20C-06-11280

CABLE

8

20C-06-11290

CABLE

9

01435-00610

BOLT

10

YM119640-77711

LIMITER,CURRENT

11

01435-00620

BOLT

Выбрано товаров: 0