Запчасти Komatsu PC12UU-1 ПРУЖИНА ХОДОВАЯ

Схема запчастей Komatsu PC12UU-1 - ПРУЖИНА ХОДОВАЯ
FIT
1:1
100%

Артикул

Название

Примечание

Количество

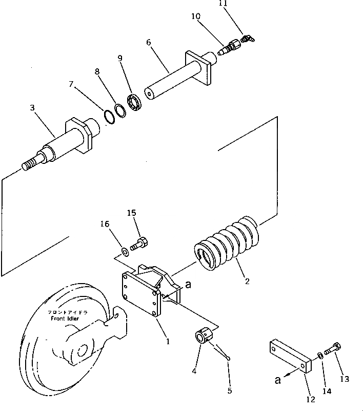
1

20N-30-41851

BRACKET

2

20R-30-21220

SPRING,RECOIL

3

20N-30-47810

CYLINDER

|3

20N-30-41515

CYLINDER

4

21U-30-11130

NUT

5

04050-15045

PIN,COTTER

6

20N-30-41822

ROD

7

07000-13035

O-RING

8

20N-30-47830

RING,BACK-UP

|8

07001-03035

RING,BACK-UP

9

20N-30-41530

SEAL,DUST

10

20M-30-31240

VALVE

11

07020-00900

FITTING,GREASE

12

20N-35-41590

PLATE

13

01010-51035

BOLT

14

01643-31032

WASHER

15

01010-51235

BOLT

16

01643-51232

WASHER

Выбрано товаров: 0