Запчасти Komatsu PC12UU-1 MACHINERY ОБСТАНОВКА (/) ЧАСТИ КОРПУСА

Схема запчастей Komatsu PC12UU-1 - MACHINERY ОБСТАНОВКА (/) ЧАСТИ КОРПУСА
FIT
1:1
100%

Артикул

Название

Примечание

Количество

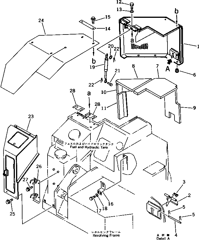
|1

20C-54-11500

HOOD ASS'Y

1

20C-54-11510

HOOD

|1

20C-54-11520

HINGE (WELDED)

2

20S-54-21450

LEVER

3

20T-54-26430

SPRING

4

20S-54-21460

PIN

5

04050-13018

PIN,COTTER

6

203-54-32260

STOPPER

7

20C-54-11540

SHEET

8

20C-54-11530

SHEET

9

20C-54-11550

SHEET

10

20C-54-11560

SHEET

11

20C-54-11570

SHEET

12

01010-51025

BOLT

13

01643-31032

WASHER

14

20C-54-11880

PLATE

15

01435-01025

BOLT

16

21U-54-11280

LOCK

17

01010-51020

BOLT

18

01643-31032

WASHER

19

20N-54-42190

SPRING

20

01641-20812

WASHER

21

04205-10830

PIN

22

04052-00833

PIN,SNAP

23

20C-54-11810

COVER

24

20C-54-11850

SHEET

25

01435-00816

BOLT

26

20C-54-11841

PLATE

27

01435-00812

BOLT

28

20C-54-11910

PLATE

Выбрано товаров: 0