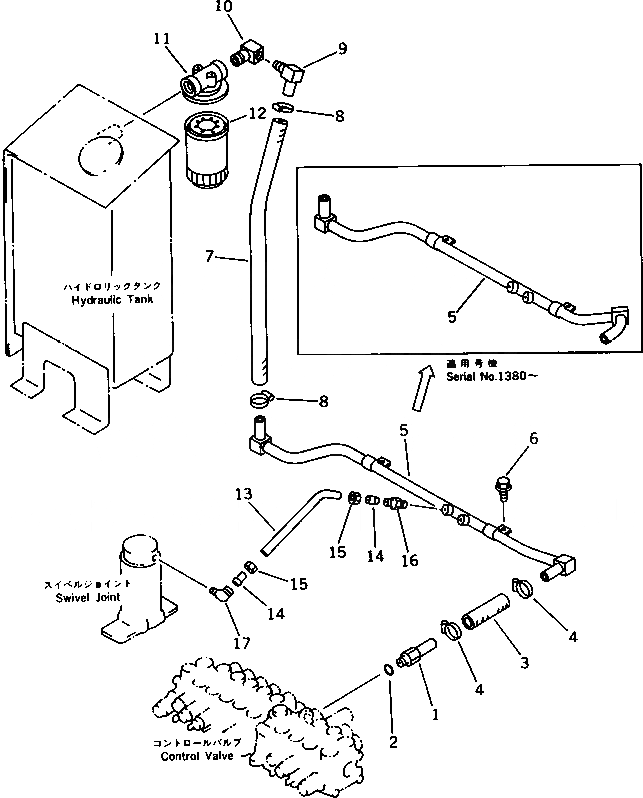
Запчасти Komatsu PC12UU-1 ГИДРОЛИНИЯ (КЛАПАН - БАК) УПРАВЛ-Е РАБОЧИМ ОБОРУДОВАНИЕМ

Схема запчастей Komatsu PC12UU-1 - ГИДРОЛИНИЯ (КЛАПАН - БАК) УПРАВЛ-Е РАБОЧИМ ОБОРУДОВАНИЕМ
FIT
1:1
100%

Артикул

Название

Примечание

Количество

1

20C-62-12330

ELBOW

2

07002-12034

O-RING

3

07260-22614

HOSE

|3

07260-22611

HOSE

4

07281-00419

CLAMP

5

20C-62-12341

TUBE

|5

20C-62-12340

TUBE

6

01435-01020

BOLT

7

07260-22663

HOSE

|7

20C-62-12380

HOSE

8

07281-00419

CLAMP

9

20C-62-12350

ELBOW

10

20C-62-12360

ELBOW

|11

21U-60-11300

FILTER ASS'Y

11

21U-60-11310

HEAD

12

21U-60-11320

CARTRIDGE

13

20C-62-12370

TUBE

14

07831-00411

SLEEVE

15

07832-00410

NUT

16

07836-00413

CONNECTOR

17

07834-00413

ELBOW

Выбрано товаров: 21