Запчасти Komatsu PC12UU-2 АККУМУЛЯТОР И КРЕПЛЕНИЕ ЭЛЕКТРИКА

Схема запчастей Komatsu PC12UU-2 - АККУМУЛЯТОР И КРЕПЛЕНИЕ ЭЛЕКТРИКА
FIT
1:1
100%

Артикул

Название

Примечание

Количество

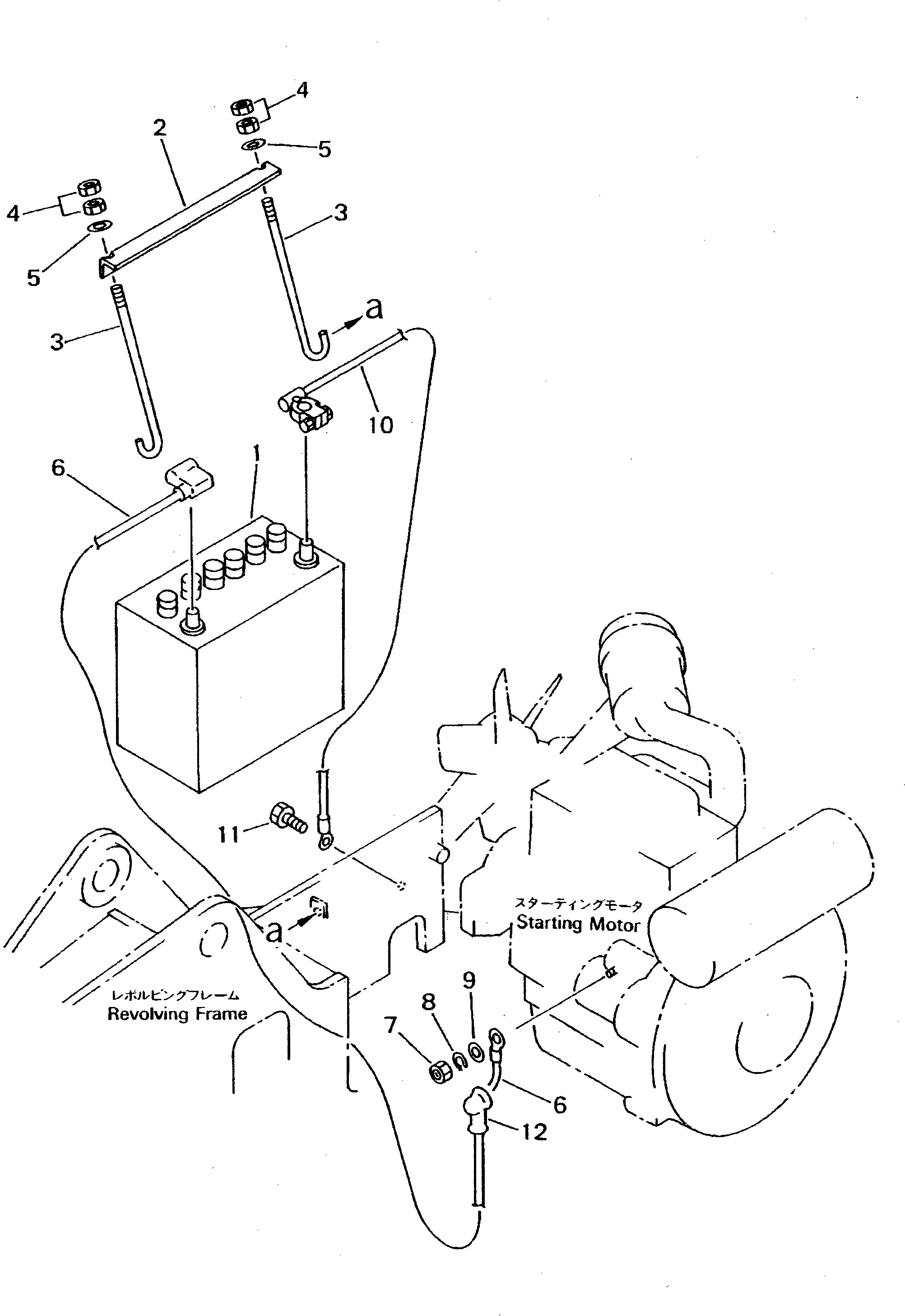
1

20M-06-72180

BATT¤ WET 50B24R

2

20C-06-11310

HOLDER

3

20M-06-48421

ROD

4

01580-10605

NUT

5

01641-20608

WASHER

6

20C-06-11240

WIRE ASS'Y

7

01580-10806

NUT

8

01602-20825

WASHER,SPRING

9

01640-20816

WASHER

10

20C-06-11230

WIRE ASS'Y

11

01435-00812

BOLT

12

08038-04030

CAP

Выбрано товаров: 12