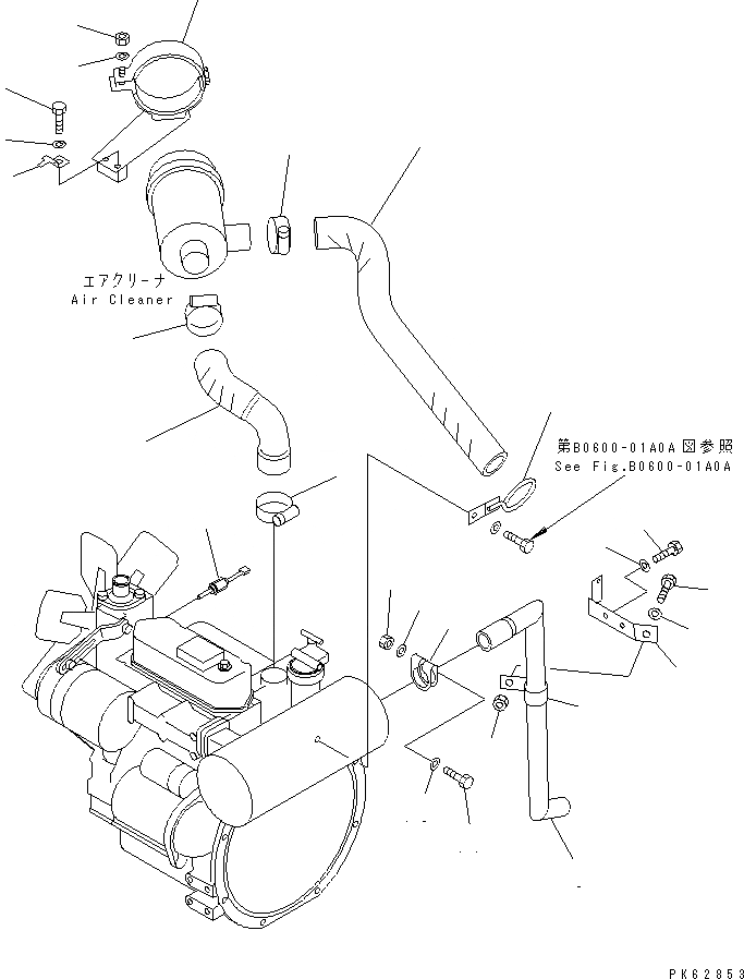
Запчасти Komatsu PC12UU-2 КРЕПЛЕНИЕ ДВИГАТЕЛЯ (ШЛАНГИ И ДАТЧИК)(№-) КОМПОНЕНТЫ ДВИГАТЕЛЯ

Схема запчастей Komatsu PC12UU-2 - КРЕПЛЕНИЕ ДВИГАТЕЛЯ (ШЛАНГИ И ДАТЧИК)(№-) КОМПОНЕНТЫ ДВИГАТЕЛЯ
1
2
3
4
5
5
5
6
7
8
8
9
10
11
12
13
13
14
15
16
17
18
19
20
21
22
FIT
1:1
100%

Артикул

Название

Примечание

Количество

1

20C-01-21780

HOSE

2

20C-01-21120

HOSE

3

20C-01-21140

BRACKET

4

20C-01-21670

BRACKET

5

07281-00609

CLAMP

6

01010-50850

BOLT

7

01580-10806

NUT

8

01643-30823

WASHER

9

20C-01-21610

PIPE,EXHAUST

10

20M-02-71140

CLAMP

11

01010-51065

BOLT

12

01580-11008

NUT

13

01643-31032

WASHER

14

20C-01-21690

BRACKET

15

01010-50816

BOLT

16

01643-30823

WASHER

17

20C-01-21680

CLAMP

18

01010-51025

BOLT

19

01580-11008

NUT

20

01643-31032

WASHER

21

7861-92-3320

SENSOR,WATER TEMPERATURE

22

08053-01510

CLIP

Выбрано товаров: 22