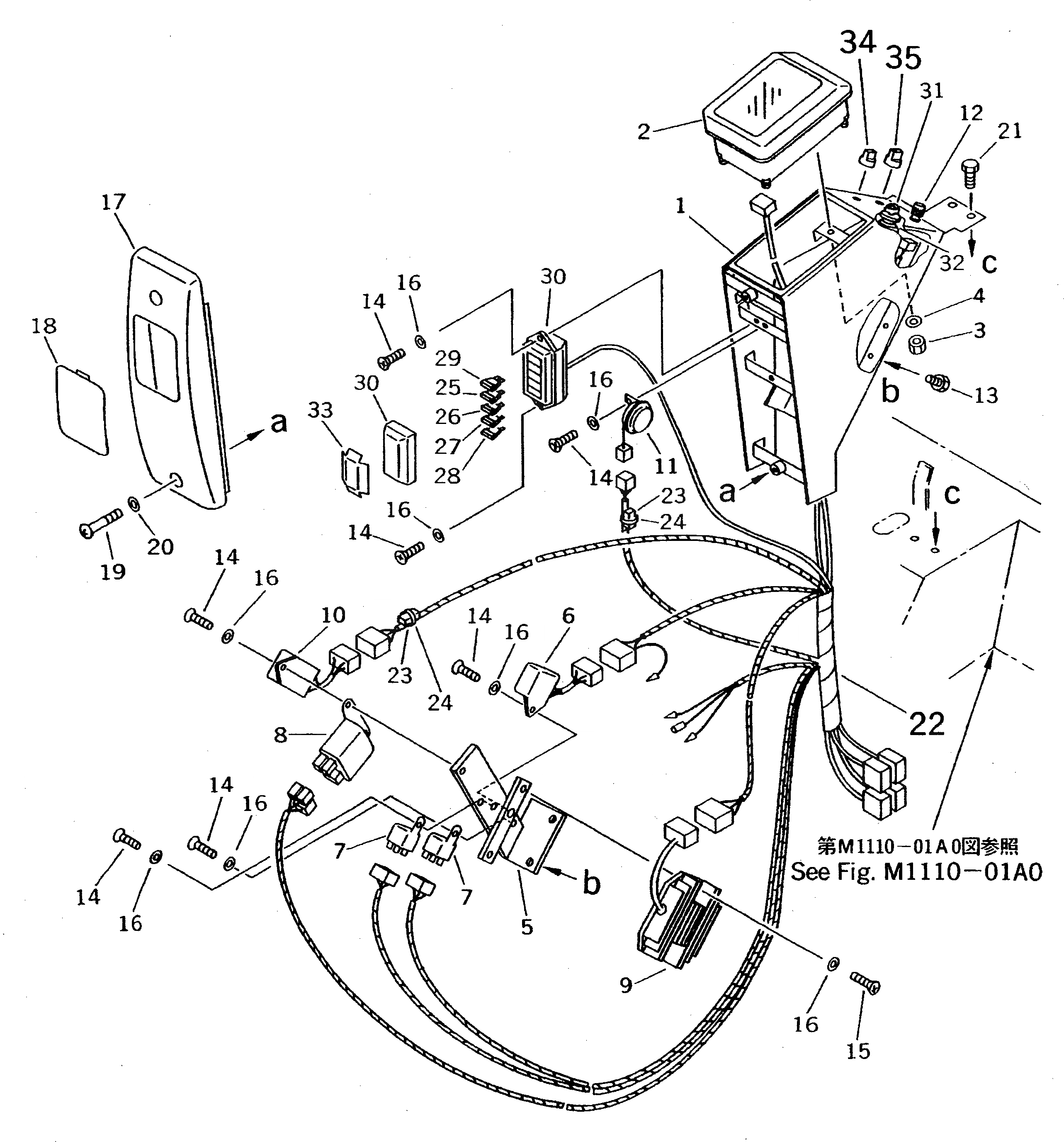
Запчасти Komatsu PC12UU-2 ПАНЕЛЬ МОНИТОРА И ЭЛЕКТРОПРОВОДКА (ДЛЯ СИСТЕМА СПЕЦ-Я.) КАБИНА ОПЕРАТОРА И СИСТЕМА УПРАВЛЕНИЯ

Схема запчастей Komatsu PC12UU-2 - ПАНЕЛЬ МОНИТОРА И ЭЛЕКТРОПРОВОДКА (ДЛЯ СИСТЕМА СПЕЦ-Я.) КАБИНА ОПЕРАТОРА И СИСТЕМА УПРАВЛЕНИЯ
FIT
1:1
100%

Артикул

Название

Примечание

Количество

1

20C-54-21510

BOX,PANEL

2

7824-88-4000

MONITOR ASS'Y

3

01580-10605

NUT

4

01641-20608

WASHER

5

20C-06-21110

BRACKET

6

YM121522-77721

INDICATOR,CHARGE

7

YM119247-77101

RELAY,SAFETY¤ CHARGE

8

YM119650-77910

RELAY,SAFETY¤ STOP MOTOR

9

YM119640-77711

LIMITER,CURRENT

10

YM119632-77920

TIMER

11

20T-06-71320

BUZZER ASS'Y

12

205-06-71331

SWITCH,LAMP

13

01435-00610

BOLT

14

01220-40616

SCREW

15

01220-40620

SCREW

16

01643-30623

WASHER

17

21U-54-21520

COVER

18

21U-54-21530

CAP

19

20M-43-71190

SCREW

20

01643-30823

WASHER

21

01435-00816

BOLT

22

21C-06-21451

WIRING HARNESS

23

08020-00000

DIODE

24

08034-00519

BAND

25

283-06-16190

FUSE¤ 10A

26

205-06-73180

FUSE¤ 15A

27

22W-06-13160

FUSE¤ 20A

28

21U-06-21160

FUSE¤ 25A

29

201-06-61240

FUSE¤ 30A

30

20P-06-71150

BOX,FUSE

31

20S-06-31130

STARTING SWITCH,STARTING

32

205-26-91140

SPACER

33

20C-06-21250

PLATE

34

7824-85-4810

SWITCH,SET AND CLEAR

|34

7824-84-2890

KNOB

35

7824-85-4820

SWITCH,MODE SELECT

|35

7824-84-2890

KNOB

Выбрано товаров: 37