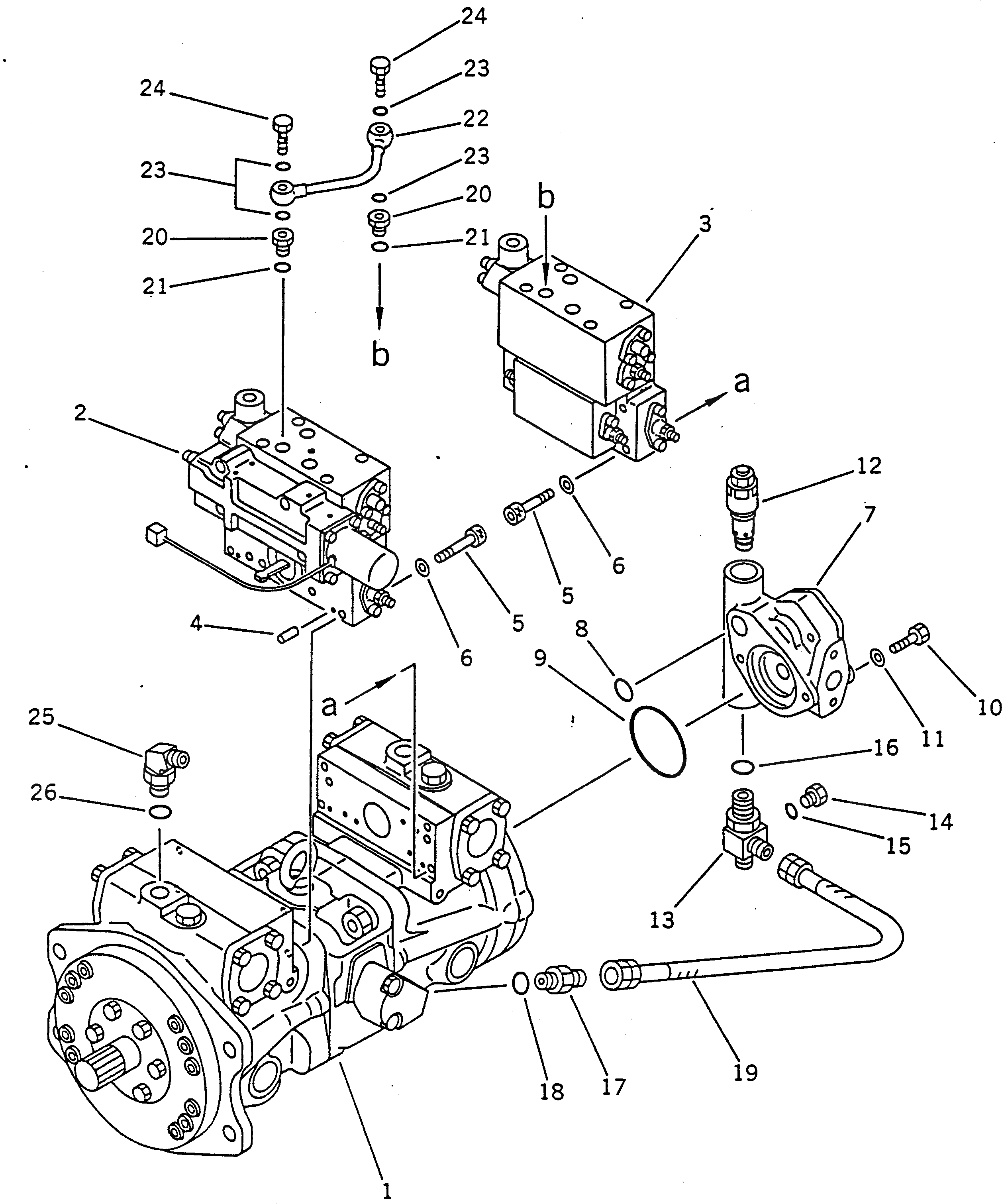
Запчасти Komatsu PC130-5 ГИДР. НАСОС. (БЛОК) (/) УПРАВЛ-Е РАБОЧИМ ОБОРУДОВАНИЕМ

Схема запчастей Komatsu PC130-5 - ГИДР. НАСОС. (БЛОК) (/) УПРАВЛ-Е РАБОЧИМ ОБОРУДОВАНИЕМ
FIT
1:1
100%

Артикул

Название

Примечание

Количество

|$0

708-23-04014

PUMP ASS'Y,HYDRAULIC (HPV55+55)

1

708-23-04113

PUMP SUB ASS'Y,HYDRAULIC

2

708-23-04512

VALVE ASS'Y,SERVO, FRONT

3

708-23-04612

VALVE ASS'Y,SERVO, REAR

4

04020-00616

PIN,DOWEL

5

708-25-19130

BOLT

6

01643-50823

WASHER

7

704-24-26401

PUMP ASS'Y,(BAR20)

8

07000-02018

O-RING

9

07000-02075

O-RING

10

01010-51085

BOLT

11

01643-31032

WASHER

12

708-23-04311

VALVE ASS'Y,RELIEF

13

708-23-19220

TEE

14

07040-11007

PLUG

15

07002-01023

O-RING

16

07002-02434

O-RING

17

07230-10315

UNION

18

07002-02034

O-RING

19

07102-20303

HOSE

20

706-46-53260

PLUG

21

07002-01423

O-RING

22

708-23-19120

TUBE

23

07000-02012

O-RING

24

706-46-53180

BOLT,JOINT

25

20S-62-21230

ELBOW

26

07002-02434

O-RING

Выбрано товаров: 27