Качественные детали и логистика
Оригинальные и аналоговые запчасти с доставкой по России, Казахстану и Беларуси
©2022 PartSell ООО "Система" ИНН 2463123282 ОГРН 1212400004838
Центральный офис: г. Красноярск, Академика Киренского, д.87, пом.4
Телефон: 8 (800) 777-65-74 Email: zakaz@partsell.ru
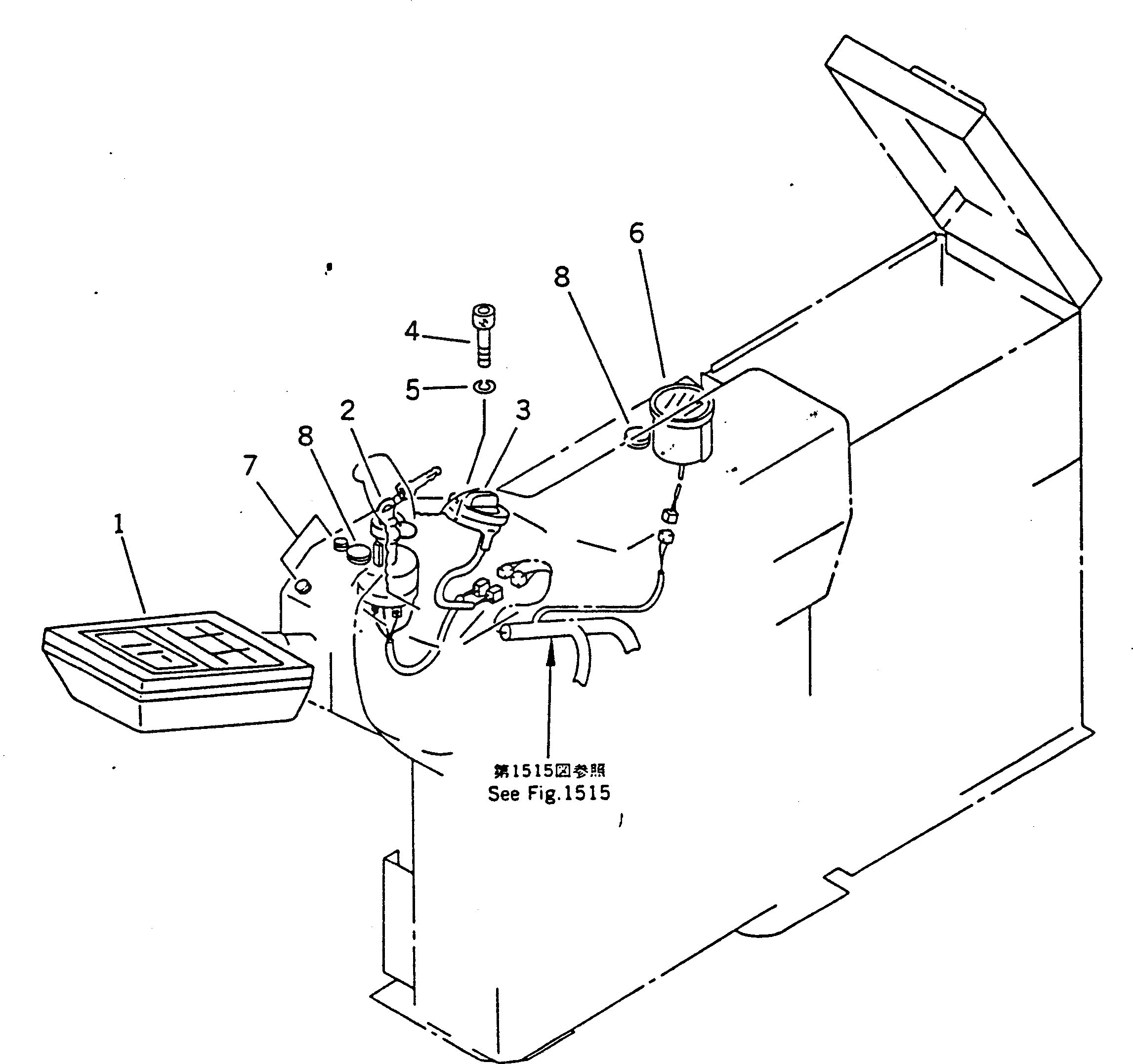
ПАНЕЛЬ ПРИБОРОВ (ДЛЯ WRIST РЫЧАГ УПРАВЛ-Я)
№
Артикул
Название
Примечание
Количество
1
7824-70-2101
PANEL,(FOR JAPAN) (SEE FIG.1601)
2
08086-20000
SWITCH
3
7825-30-1301
DIAL,FUEL
4
01252-40410
BOLT
5
01601-20410
WASHER,SPRING
6
203-06-56240
SERVICE METER ASS'Y
7
09415-00706
CAP
8
09415-01610
Выбрано товаров: 0