Запчасти Komatsu PC130-5 ЭЛЕКТРИКА (ЛИНИЯ ПАНЕЛИ ПРИБОРОВ) КОМПОНЕНТЫ ДВИГАТЕЛЯ И ЭЛЕКТРИКА

Схема запчастей Komatsu PC130-5 - ЭЛЕКТРИКА (ЛИНИЯ ПАНЕЛИ ПРИБОРОВ) КОМПОНЕНТЫ ДВИГАТЕЛЯ И ЭЛЕКТРИКА
FIT
1:1
100%

Артикул

Название

Примечание

Количество

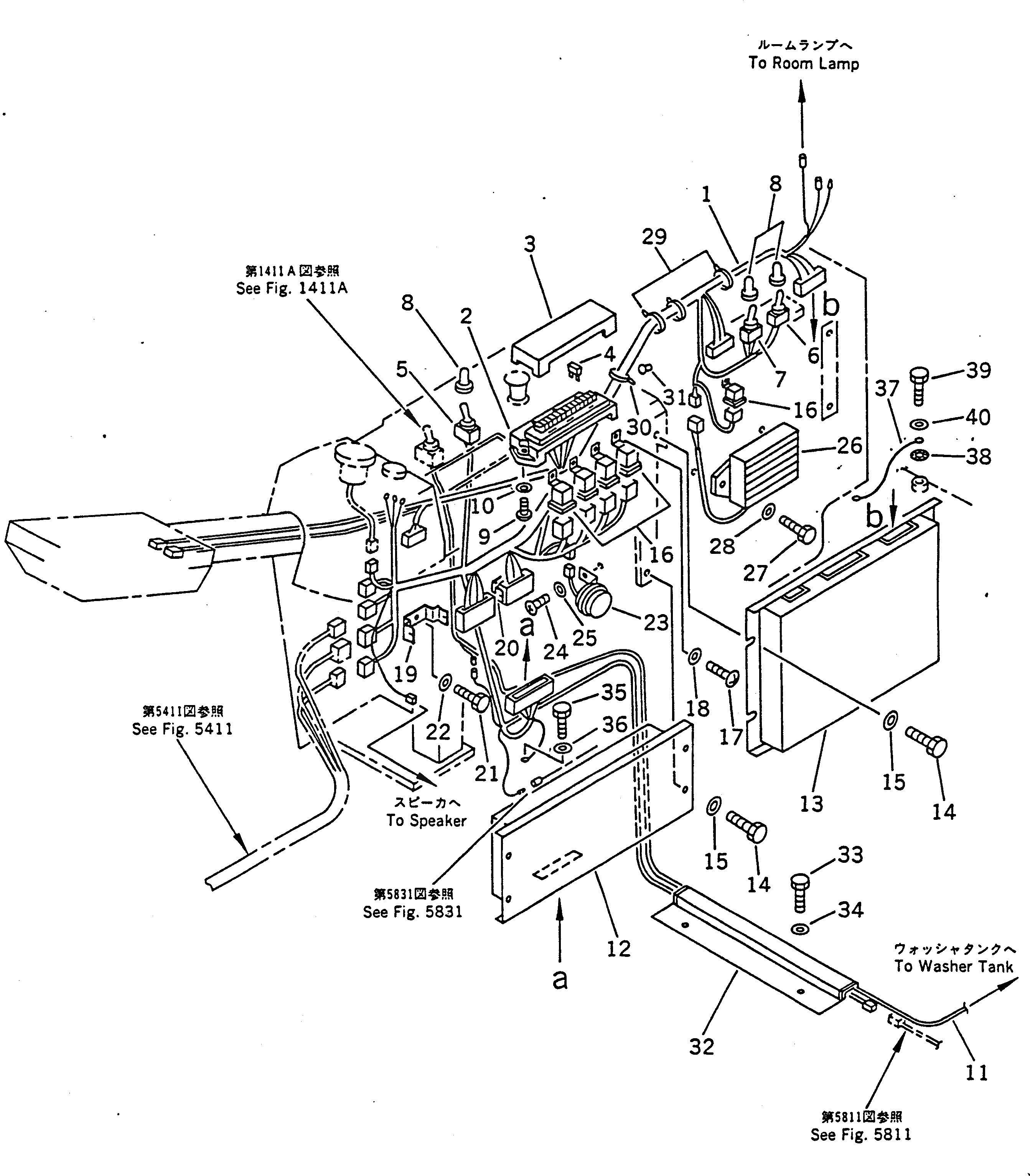
1

203-06-57170

WIRE ASS'Y

1

22W-06-13590

DIODE

2

195-Z11-2280

BODY,FUSE BOX

3

195-Z11-2290

COVER,FUSE BOX

4

22W-06-13150

FUSE, 5A

4

283-06-16190

FUSE, 10A

4

205-06-73180

FUSE, 15A

5

203-06-56520

SWITCH,SWING LOCK

6

203-06-41570

SWITCH,SWING PROLIX

7

203-06-56520

SWITCH,T.V.C. PROLIX

8

203-06-41680

CAP

9

01220-40620

SCREW

10

01642-20608

WASHER

11

203-06-57190

WIRE ASS'Y

12

7824-30-1100

CONTROL BOX ASS'Y,GOVERNOR

13

7824-10-2001

CONTROL BOX ASS'Y,PUMP

14

01010-51020

BOLT

15

01643-31032

WASHER

16

22W-06-13450

RELAY ASS'Y

17

01220-40610

SCREW

18

01642-20608

WASHER

19

08053-16212

CLIP

20

08053-15012

CLIP

21

01010-51016

BOLT

22

01643-31032

WASHER

23

203-06-56230

BUZZER ASS'Y

24

01220-40616

SCREW

25

01642-20608

WASHER

26

7824-10-2400

RESISTOR

27

01010-50820

BOLT

28

01643-30823

WASHER

29

08034-00519

BAND

30

08034-00414

BAND

31

203-06-56510

CLIP

32

203-06-56251

COVER

33

01010-51020

BOLT

34

01643-31032

WASHER

35

01010-50816

BOLT

36

01643-30823

WASHER

37

20Y-06-11940

WIRING HARNESS,CAB EARTH

38

01605-10818

WASHER

39

01010-50816

BOLT

40

01643-30823

WASHER

Выбрано товаров: 43