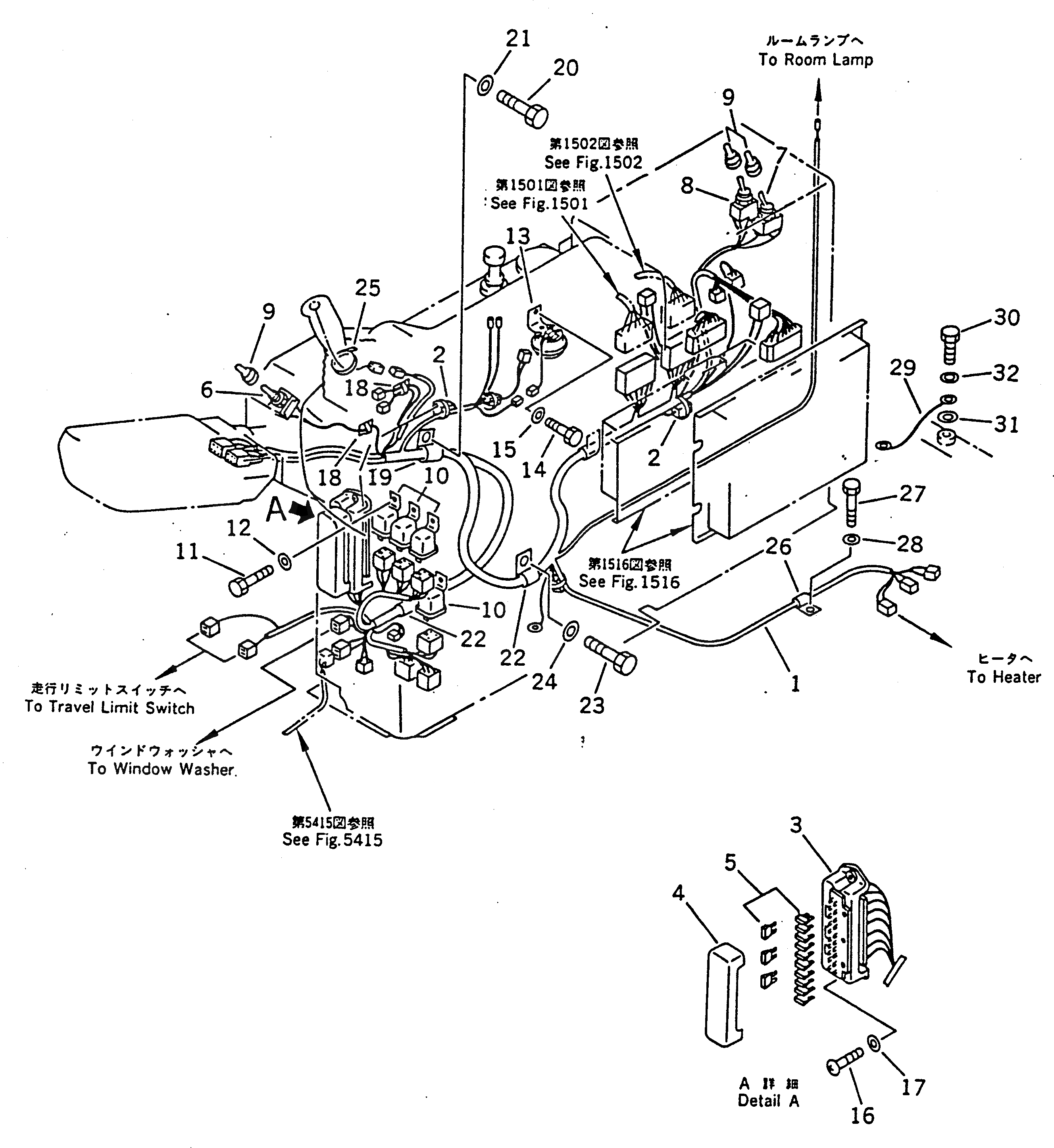
Запчасти Komatsu PC130-5 ЭЛЕКТРИКА (ЛИНИЯ ПАНЕЛИ ПРИБОРОВ) (/) (ДЛЯ WRIST РЫЧАГ УПРАВЛ-Я) КОМПОНЕНТЫ ДВИГАТЕЛЯ И ЭЛЕКТРИКА

Схема запчастей Komatsu PC130-5 - ЭЛЕКТРИКА (ЛИНИЯ ПАНЕЛИ ПРИБОРОВ) (/)         (ДЛЯ WRIST РЫЧАГ УПРАВЛ-Я) КОМПОНЕНТЫ ДВИГАТЕЛЯ И ЭЛЕКТРИКА
FIT
1:1
100%

Артикул

Название

Примечание

Количество

1

203-06-57330

WIRING HARNESS

2

22W-06-13590

DIODE

3

195-Z11-2280

BODY,FUSE BOX

4

195-Z11-2290

COVER,FUSE BOX

5

22W-06-13150

FUSE, 5A

5

283-06-16190

FUSE, 10A

5

205-06-73180

FUSE, 15A

6

23S-06-14410

SWITCH,SWING LOCK

7

203-06-41570

SWITCH,SWING PROLIX

8

23S-06-14410

SWITCH,T.V.C. PROLIX

9

203-06-41680

CAP

10

22W-06-13450

RELAY ASS'Y

11

01010-50612

BOLT

12

01643-30623

WASHER

13

203-06-56230

BUZZER ASS'Y

14

01010-50616

BOLT

15

01643-30623

WASHER

16

01220-40616

SCREW

17

01642-20608

WASHER

18

08051-00801

CLIP

19

142-06-13590

CLIP

20

01010-51220

BOLT

21

01643-31232

WASHER

22

08036-10814

CLIP

23

01010-51220

BOLT

24

01643-31232

WASHER

25

08034-00823

BAND

26

08036-01214

CLIP

27

01010-51020

BOLT

28

01643-31032

WASHER

29

20Y-06-11940

WIRING HARNESS

30

01010-50816

BOLT

31

01605-10818

WASHER

32

01643-30823

WASHER

Выбрано товаров: 34