Запчасти Komatsu PC130-6 СОЛЕНОИДНЫЙ КЛАПАН ЛИНИЯ (СОЛЕНОИДНЫЙ КЛАПАН)(НАВЕСН. ОБОРУД.)(№-8) ГИДРАВЛИКА

Схема запчастей Komatsu PC130-6 - СОЛЕНОИДНЫЙ КЛАПАН ЛИНИЯ (СОЛЕНОИДНЫЙ КЛАПАН)(НАВЕСН. ОБОРУД.)(№-8) ГИДРАВЛИКА
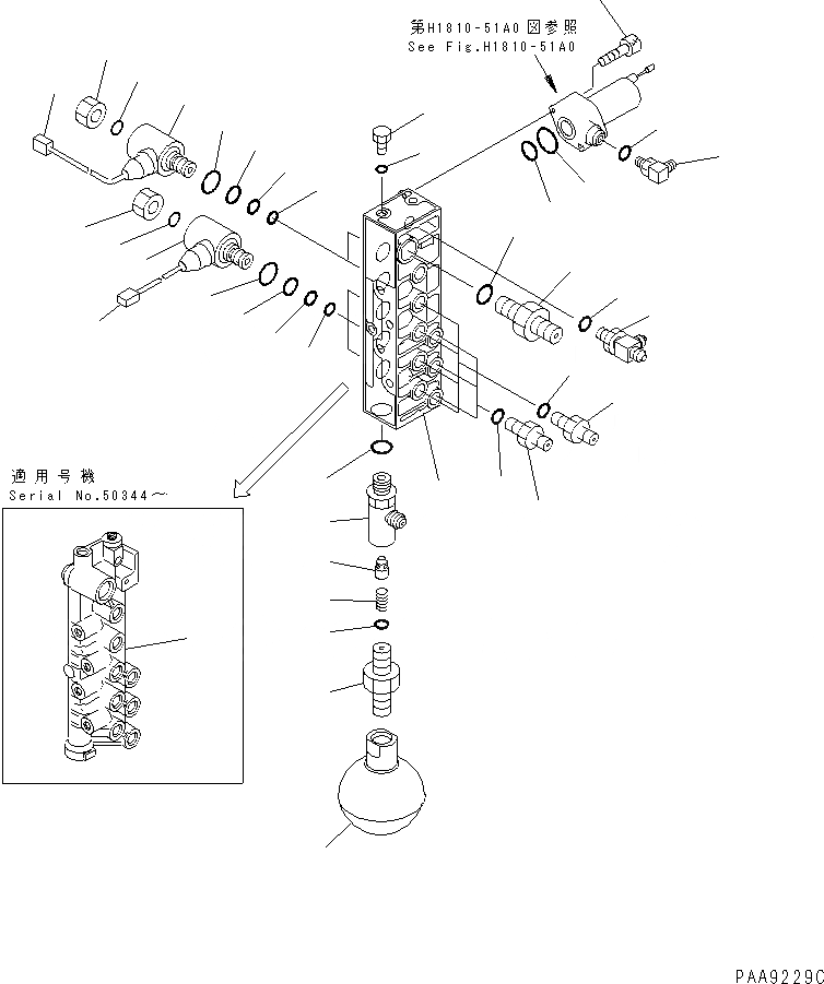
1
1
2
2
3
4
5
6
7
8
9
9
10
11
12
13
14
15
16
17
18
19
20
21
22
23
24
25
26
27
28
29
30
31
32
33
34
35
36
37
FIT
1:1
100%

Артикул

Название

Примечание

Количество

1

203-60-62340

BLOCK

|1

07043-70108

PLUG

2

203-60-62161

SOLENOID VALVE

3

07000-02012

O-RING

4

07000-02014

O-RING

5

07000-12016

O-RING

6

07000-02018

O-RING

7

08055-00282

CONNECTOR

8

203-60-62190

O-RING

9

203-60-62171

SOLENOID VALVE

10

07000-02012

O-RING

11

07000-02014

O-RING

12

07000-12016

O-RING

13

07000-02018

O-RING

14

08055-00282

CONNECTOR

15

203-60-62190

O-RING

16

07000-02011

O-RING

17

700-93-11320

O-RING

18

203-60-62230

BOLT

19

07040-11007

PLUG

20

07002-01023

O-RING

21

07230-20422

UNION

22

07002-02034

O-RING

23

205-62-55270

NIPPLE

24

07002-01423

O-RING

25

07235-10210

ELBOW

26

07002-01423

O-RING

27

07230-20210

UNION

28

07002-01423

O-RING

|29

203-60-62200

VALVE ASS'Y

29

07002-02034

O-RING

30

203-60-62141

NIPPLE

31

203-60-62150

POPPET

32

203-60-62180

ELBOW

33

700-30-63160

SPRING

34

07002-02034

O-RING

35

20Y-60-11410

ACCUMULATOR

36

208-62-17550

TEE

37

07002-01423

O-RING

Выбрано товаров: 39