Запчасти Komatsu PC130-6 КОНДИЦ. ВОЗДУХА (БЛОК)(№87-999) КАБИНА ОПЕРАТОРА И СИСТЕМА УПРАВЛЕНИЯ

Схема запчастей Komatsu PC130-6 - КОНДИЦ. ВОЗДУХА (БЛОК)(№87-999) КАБИНА ОПЕРАТОРА И СИСТЕМА УПРАВЛЕНИЯ
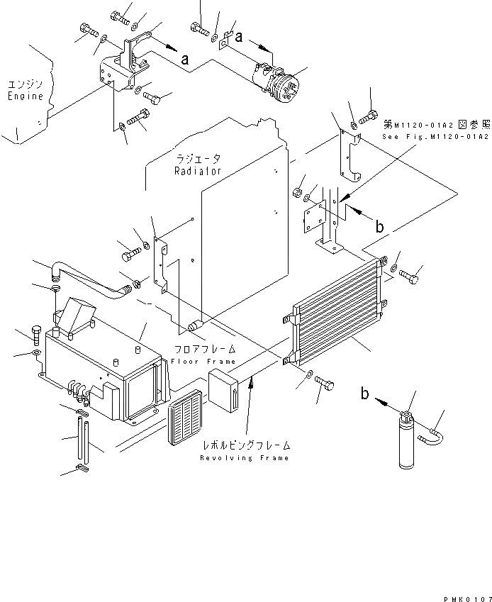
1
2
3
3
4
5
6
6
7
7
8
9
10
10
11
11
12
12
13
13
14
14
15
16
17
18
19
20
21
22
23
24
25
26
27
28
29
30
FIT
1:1
100%

Артикул

Название

Примечание

Количество

1

203-979-6512

AIR CONDITIONER UNIT,(SEE FIG.Y1979-01A0A)

1

203-979-6511

AIR CONDITIONER UNIT,(SEE FIG.Y1979-01A0A)

2

203-979-6530

HOSE

3

203-979-6520

HOSE

4

01010-51030

BOLT

5

01643-31032

WASHER

6

07281-00419

CLAMP

7

08034-00519

BAND

8

203-979-6380

CONDENSER ASS'Y

9

203-979-6610

RECEIVER DRYER

10

203-979-6320

BRACKET

11

01010-51020

BOLT

12

01643-31032

WASHER

13

01010-51025

BOLT

14

01643-31032

WASHER

15

07283-27060

CLIP

16

01599-01011

NUT

17

01643-31032

WASHER

18

203-979-6580

COMPRESSOR ASS'Y

19

203-979-6290

BRACKET

20

01010-51075

BOLT

21

01643-31032

WASHER

22

01010-51025

BOLT

23

01643-31032

WASHER

24

01011-51015

BOLT

25

01643-31032

WASHER

26

01010-51030

BOLT

27

01643-31032

WASHER

28

08053-01512

CLIP

29

01010-51020

BOLT

30

01643-31032

WASHER

Выбрано товаров: 31