Качественные детали и логистика
Оригинальные и аналоговые запчасти с доставкой по России, Казахстану и Беларуси
©2022 PartSell ООО "Система" ИНН 2463123282 ОГРН 1212400004838
Центральный офис: г. Красноярск, Академика Киренского, д.87, пом.4
Телефон: 8 (800) 777-65-74 Email: zakaz@partsell.ru
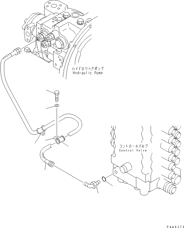
L.S. ЛИНИЯ(№-999)
№
Артикул
Название
Примечание
Количество
1
203-62-62750
ELBOW
2
07002-11423
O-RING
3
07071-00213
HOSE
|3
07071-00214
4
07095-20318
CUSHION
5
04434-52512
CLIP
6
01010-51220
BOLT
7
01643-31232
WASHER
Выбрано товаров: 0