Запчасти Komatsu PC130-6E0-T2 ЭЛЕКТРОПРОВОДКА (ОСНОВН. Э/ПРОВОДКА) ЭЛЕКТРИКА

Схема запчастей Komatsu PC130-6E0-T2 - ЭЛЕКТРОПРОВОДКА (ОСНОВН. Э/ПРОВОДКА) ЭЛЕКТРИКА
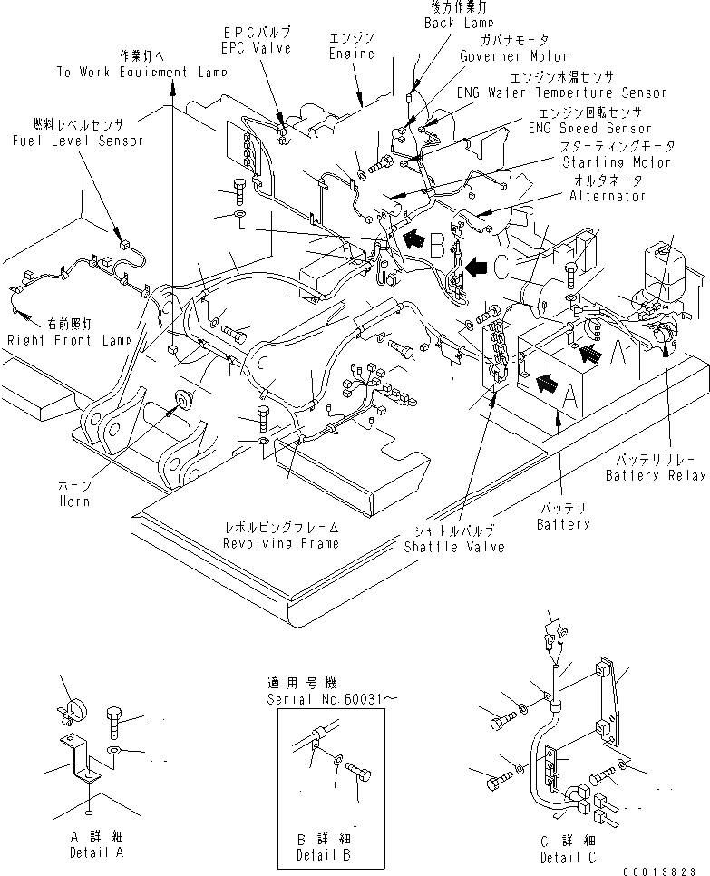
1
2
3
4
5
6
7
7
7
8
9
10
11
12
13
14
15
16
17
18
19
19
20
21
22
23
23
23
23
23
23
24
25
26
27
28
29
30
31
32
33
34
35
36
37
38
39
40
40
41
42
FIT
1:1
100%

Артикул

Название

Примечание

Количество

1

203-06-67561

WIRING HARNESS

|1

203-06-67560

WIRING HARNESS

|1

20Y-06-25240

CONNECTOR

|1

20Y-06-25250

CONNECTOR

|1

20Y-06-25260

CONNECTOR

2

20Y-06-31660

FUSIBLE LINK¤ 30A

3

20Y-06-15150

FUSIBLE LINK

4

113-899-7950

CLIP

5

01010-81230

BOLT

6

01643-31232

WASHER

7

08036-02514

CLIP

|7

08036-02514

CLIP

8

01010-81220

BOLT

9

01643-31232

WASHER

10

01010-81225

BOLT

11

01643-31232

WASHER

12

08036-01814

CLIP

13

01010-81220

BOLT

14

01643-31232

WASHER

15

08034-00536

BAND

16

203-06-61820

BRACKET

17

01010-81230

BOLT

18

01643-31232

WASHER

19

20Y-06-21460

CLIP

20

01010-81020

BOLT

21

01643-31032

WASHER

22

08038-00519

CAP

23

113-899-7950

CLIP

24

01010-81225

BOLT

25

01643-31232

WASHER

26

08035-03014

CLIP

27

01010-81220

BOLT

28

01643-31232

WASHER

29

203-06-66210

BRACKET

30

01010-81225

BOLT

31

01643-31232

WASHER

32

203-06-67161

BRACKET

33

01010-81225

BOLT

34

01643-31232

WASHER

35

203-06-67150

WIRING HARNESS

36

08036-01214

CLIP

37

01010-81220

BOLT

38

01643-31232

WASHER

39

08038-10519

CAP

40

08035-01514

CLIP

41

01010-81220

BOLT

42

01643-31232

WASHER

Выбрано товаров: 47