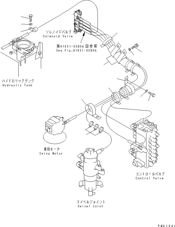
Запчасти Komatsu PC130-6E0-T2 СОЛЕНОИДНЫЙ КЛАПАН ЛИНИЯ (СОЛЕНОИДНЫЙ КЛАПАН ТРУБЫ КРЕПЛЕНИЕ) ГИДРАВЛИКА

Схема запчастей Komatsu PC130-6E0-T2 - СОЛЕНОИДНЫЙ КЛАПАН ЛИНИЯ (СОЛЕНОИДНЫЙ КЛАПАН ТРУБЫ КРЕПЛЕНИЕ) ГИДРАВЛИКА
1
2
3
4
4
5
6
7
8
9
10
11
12
FIT
1:1
100%

Артикул

Название

Примечание

Количество

1

203-62-63271

CLIP

2

01010-81220

BOLT

3

01643-31232

WASHER

4

08036-03014

CLIP

5

01010-81220

BOLT

6

01643-31232

WASHER

7

08036-01814

CLIP

8

01010-81220

BOLT

9

01643-31232

WASHER

10

08034-00519

BAND

11

08034-00536

BAND

12

08034-00519

BAND

Выбрано товаров: 12