Запчасти Komatsu PC130-6G E.P.C. РАБОЧАЯ ЛИНИЯ(№87-999) ГИДРАВЛИКА

Схема запчастей Komatsu PC130-6G - E.P.C. РАБОЧАЯ ЛИНИЯ(№87-999) ГИДРАВЛИКА
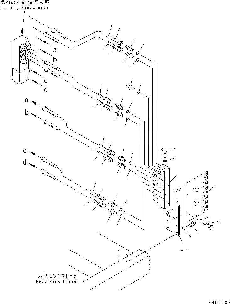
1
2
2
2
2
2
2
2
2
3
3
3
3
3
3
3
3
4
5
6
7
8
9
10
11
12
13
14
15
16
17
18
19
20
21
22
23
24
25
26
27
28
29
FIT
1:1
100%

Артикул

Название

Примечание

Количество

1

702-21-07081

VALVE ASS'Y

2

203-62-62810

NIPPLE

3

07002-01423

O-RING

4

07230-20315

UNION

5

07002-02034

O-RING

6

07235-10315

ELBOW

7

07002-02034

O-RING

8

203-62-62581

HOSE

9

203-62-57910

MARK¤ 1

10

203-62-62581

HOSE

11

203-62-58120

MARK¤ 12

12

203-62-62581

HOSE

13

203-62-57920

MARK¤ 2

14

203-62-62581

HOSE

15

203-62-57930

MARK¤ 3

16

203-62-63280

HOSE¤ 300MM

17

203-62-58110

MARK¤ 11

18

203-62-63280

HOSE¤ 300MM

19

203-62-57990

MARK¤ 10

20

203-62-63280

HOSE¤ 300MM

21

203-62-62390

MARK¤ 9

22

203-62-63280

HOSE¤ 300MM

23

203-62-57940

MARK¤ 4

24

203-62-62111

BRACKET

25

01010-51240

BOLT

26

01643-31232

WASHER

27

203-06-61661

BRACKET

28

01010-51030

BOLT

29

01643-31032

WASHER

Выбрано товаров: 29