Запчасти Komatsu PC130-6G E.P.C. РАБОЧАЯ ЛИНИЯ(№-79) ГИДРАВЛИКА

Схема запчастей Komatsu PC130-6G - E.P.C. РАБОЧАЯ ЛИНИЯ(№-79) ГИДРАВЛИКА
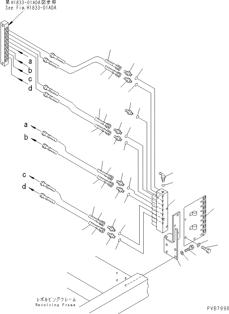
1
2
2
2
2
2
2
2
2
3
3
3
3
3
3
3
3
4
5
6
7
8
9
10
11
12
13
14
15
16
17
18
19
20
21
22
23
24
25
26
27
28
FIT
1:1
100%

Артикул

Название

Примечание

Количество

1

702-21-07081

VALVE ASS'Y

2

203-62-62810

NIPPLE

3

07002-01423

O-RING

4

07230-20315

UNION

5

07002-02034

O-RING

6

07235-10315

ELBOW

7

07002-02034

O-RING

8

203-62-63280

HOSE¤ 300MM

9

203-62-63280

HOSE¤ 300MM

10

20Y-62-22790

BAND¤ RED

11

203-62-63280

HOSE¤ 300MM

12

20Y-62-22840

BAND¤ BLACK

13

203-62-63280

HOSE¤ 300MM

14

20Y-62-22830

BAND¤ WHITE

15

203-62-63280

HOSE¤ 300MM

16

20Y-62-22810

BAND¤ YELLOW

17

203-62-63280

HOSE¤ 300MM

18

20Y-62-22820

BAND¤ BLUE

19

203-62-63280

HOSE¤ 300MM

20

20Y-62-22860

BAND¤ BROWN

21

203-62-63280

HOSE¤ 300MM

22

20Y-62-22850

BAND¤ GREEN

23

203-62-62111

BRACKET

24

01010-81240

BOLT

25

01643-31232

WASHER

26

203-06-61661

BRACKET

27

01010-81030

BOLT

28

01643-31032

WASHER

Выбрано товаров: 28