Запчасти Komatsu PC130-6G ГИДР. БАК.(№-) ГИДРАВЛИКА

Схема запчастей Komatsu PC130-6G - ГИДР. БАК.(№-) ГИДРАВЛИКА
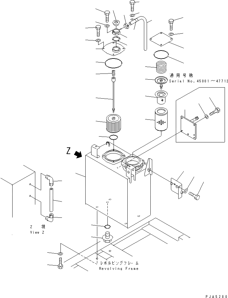
1
2
3
3
4
5
6
7
8
9
10
11
12
12A
13
14
15
16
17
17
18
18
19
20
21
22
23
24
25
26
27
28
29
30
31
32
33
34
35
36
FIT
1:1
100%

Артикул

Название

Примечание

Количество

|1

203-60-00511

HYDRAULIC TANK ASS'Y

|1

203-60-00510

HYDRAULIC TANK ASS'Y

1

TANK

|1

TANK

2

203-60-31160

TUBE

3

203-60-31100

ELBOW ASS'Y

4

07063-01100

ELEMENT

5

203-60-52260

STRAINER

6

203-60-52250

VALVE ASS'Y

7

175-60-27340

SPRING

8

07000-05155

O-RING

9

COVER

10

01010-51225

BOLT

11

01643-31232

WASHER

12

203-60-56250

STRAINER

12A

203-60-56270

O-RING

13

203-60-61160

ROD

14

12R-60-11230

SPRING

15

07000-05180

O-RING

16

COVER

17

01010-51225

BOLT

18

01643-31232

WASHER

19

205-60-51460

GASKET

20

201-60-12171

FILLER NECK

21

01220-40516

SCREW

22

01601-20513

WASHER

23

201-60-12190

CAP ASS'Y

24

07044-12412

PLUG

25

07002-02434

O-RING

26

203-60-61151

COVER

27

01010-51220

BOLT

|27

01010-51220

BOLT

28

01643-31232

WASHER

|28

01643-31232

WASHER

29

203-06-61561

BRACKET

30

01010-51220

BOLT

31

01643-31232

WASHER

32

07270-00895

TUBE

33

07280-01110

CLAMP

34

08036-01214

CLIP

35

01010-51635

BOLT

36

01643-31645

WASHER

Выбрано товаров: 42